Auf die Core-Spannung kommt es an

CPUs und Bauelemente mit hoher Leistungsaufnahme im Griff

Der vorliegende Beitrag befasst sich eingehend mit praktischen Überlegungen zu verschiedenen Stromversorgungs-Topologien. Das Spektrum reicht von LDOs (Low-Dropout-Regler) über Buck-Wandler (Abwärtswandler), Boost-Wandler (Aufwärtswandler) und Buck-Boost-Wandler (Ab-Aufwärtswandler) bis zu SIMO-Wandlern (Single Input Multiple Output).

Bild: Analog Devices; iStock, Web Hakimi
03.03.2025

Dieser Leitfaden hilft, Elektronikentwicklern die richtige Stromversorgungs-Topologie für Mikroprozessoren, Mikrocontroller und Signalketten mit hoher Leistungsaufnahme auszuwählen. Er hebt die entscheidende Rolle einer effizienten und zuverlässigen Leistungswandlung in der Signalkette hervor. Zudem beschreibt der Leitfaden die große Bedeutung, die diesen kompakten und leistungsstarken Bauelementen in den unterschiedlichsten Anwendungen zukommt.

Ob es nun um Consumer-Anwendungen oder die industrielle Automatisierungstechnik geht, fungieren diese Bausteine als wichtige Verarbeitungseinheiten, die aber auf eine stabile und präzise geregelte Stromversorgung angewiesen sind, um optimal zu funktionieren. Die folgende Anleitung unterstreicht, wie wichtig die Wahl der richtigen Stromversorgungs-Architektur für einen reibungslosen, optimalen Betrieb ist.

Einführung

Der vorliegende Beitrag befasst sich eingehend mit praktischen Überlegungen zu verschiedenen Stromversorgungs-Topologien. Das Spektrum reicht von LDOs (Low-Dropout-Regler) über Buck-Wandler (Abwärtswandler), Boost-Wandler (Aufwärtswandler) und Buck-Boost-Wandler (Ab-Aufwärtswandler) bis zu SIMO-Wandlern (Single Input Multiple Output). Die Anwendungsgebiete und die Bedeutung dieser Topologien kommen ebenso zur Sprache wie ihre Vor- und Nachteile. Gestützt auf praktische Erkenntnisse, soll diese Evaluierung dazu beitragen, während des Designprozesses fundierte Entscheidungen fällen zu können.

Stabile Core-Spannung hat Priorität

Bevor genauer auf die Details der verschiedenen Stromversorgungs-Topologien eingegangen wird, sollte man sich über die Bedeutung im Klaren sein, die eine stabile Core-Spannung für Prozessoren und Mikrocontroller hat:

  • Leistungsfähigkeit: Eine stabile Core-Spannung sichert die gleichbleibende, zuverlässige Performance des Bausteins und unterbindet unerwartete Abstürze, Glitches und fehlerhaftes Verhalten.

  • Energieeffizienz: Eine gut geregelte Core-Spannung minimiert die elektrischen Verluste und kommt der Energieeffizienz des gesamten Systems zugute.

  • Langlebigkeit: Spannungsschwankungen können zu einem vorzeitigen Verschleiß des jeweiligen Bausteins führen und seine Lebensdauer verkürzen.

  • Elektromagnetische Verträglichkeit (EMV): Eine stabile Core-Spannung hilft bei der Einhaltung der EMV-Vorschriften, indem sie die elektromagnetischen Interferenzen (EMI) reduziert. Essenziell ist dies insbesondere in sensiblen Anwendungen wie etwa Medizingeräten und Aerospace-Systemen.

  • Störbeständigkeit: Eine gute Spannungsregelung schützt den Baustein vor externen Störbeeinflussungen und stärkt damit seine Zuverlässigkeit in Umgebungen mit hohem Störaufkommen.

Gängige Stromversorgungs-Topologien

Zu den häufig verwendeten Stromversorgungs-Topologien für Mikroprozessoren und Mikrocontroller gehören lineare und getaktete Stromversorgungen. Beispiele für letztere sind Buck-, Boost-, Buck-Boost- und SIMO-Wandler. Jede der genannten Topologien, auf die nachfolgend genauer eingegangen wird, besitzt ihre ganz spezifischen Vor- und Nachteile.

Linearregler

Linearregler sind einfache und kostengünstige Lösungen für Anwendungen mit geringem Leistungsbedarf. Sie geben überschüssige Spannung in Form von Wärme ab und liefern eine konstante Ausgangsspannung, auch wenn sich die Eingangsspannung ändert. Wegen ihrer hohen Verlustleistung erweisen sie sich jedoch als ineffizient, wenn die Anwendung viel Strom benötigt.

Beim Design mit LDO-Reglern müssen mehrere Aspekte beachtet werden:

Vorteile

  • LDO-Regler erzeugen eine stabile Ausgangsspannung, auch wenn die Eingangsspannung nah am Sollwert der Ausgangsspannung liegt, sodass eine zuverlässige Performance bei geringer Leistungsaufnahme gewährleistet ist.

  • Mit ihrem sehr geringen Ausgangsrauschen punkten LDOs in Anwendungen, die eine rauscharme und stabile Versorgungsspannung benötigen (zum Beispiel präzise Analogschaltungen und empfindliche Mikrocontroller).

  • LDOs ermöglichen einfachere Designs, da sie weniger externe Bauelemente benötigen als Schaltwandler, was zu weniger Leiterplattenfläche und reduzierter Komplexität führt.

  • Mit ihrem schnellen Lastsprungverhalten eignen sich LDOs ideal für Anwendungen mit dynamischen Einsatzbedingungen (zum Beispiel Mikrocontroller und digitale Prozessoren).

  • LDO-Versionen mit extrem geringer Ruhestromaufnahme verbessern die Effizienz batteriebetriebener Anwendungen und minimieren den Standby-Stromverbrauch.

  • LDOs regeln ihre Ausgangsspannung mit großer Genauigkeit und bieten sich deshalb für Anwendungen an, die eine präzise geregelte Versorgungsspannung benötigen.

Nachteile

  • LDO-Regler büßen an Effizienz ein, wenn sich die Eingangs- und die Ausgangsspannung stark unterscheiden, denn in diesem Fall wird die überschüssige Leistung in Wärme umgewandelt. In solchen Fällen bieten getaktete Wandler mehr Energieeffizienz.

  • Da LDOs für geringere Lastströme ausgelegt sind als Schaltwandler, kommen sie für Anwendungen mit hohem Leistungs- oder Strombedarf nicht in Betracht.

  • Besonders in Anwendungen mit hoher Leistung neigen LDOs aufgrund ihrer Verlustleistung dazu, Wärme zu erzeugen. Ein geeignetes Wärmemanagement ist unabdingbar, um eine Überhitzung zu vermeiden.

  • Bei LDOs muss die Eingangsspannung höher sein als die gewünschte Ausgangsspannung. Sie kommen daher nur begrenzt für batteriebetriebene Geräte in Frage, in denen die Batteriespannung nur geringfügig höher ist als die gewünschte Versorgungsspannung.

  • LDOs können zwar in vielen Anwendungen kosteneffektiv sein, sind aber verglichen mit Schaltwandlern nicht unbedingt die kostengünstigste Wahl für Applikationen mit hohem Strom- oder Effizienzbedarf.

  • Ist die Eingangsspannung deutlich höher als die gewünschte Ausgangsspannung, erfordern LDOs möglicherweise zusätzliche Bauteile wie etwa Kühlkörper oder komplexe Schutzschaltungen, um effektiv zu arbeiten.

Schaltwandler

Aufgrund ihres hohen Wirkungsgrads sind geschaltete Stromversorgungen die meistverwendete Topologie für Mikroprozessoren und Mikrocontroller. Ein Schaltwandler wandelt die Eingangsspannung in die gewünschte Ausgangsspannung um, indem er die Leistungsschalter (meist Transistoren) mit hoher Frequenz ein- und ausschaltet. Neben einer präzisen Spannungsregelung erlaubt dies eine Minimierung der Verlustleistung. In häufigsten Formen sind die Buck-, Boost- und Buck-Boost-Topologie (Abwärts-, Aufwärts- und Ab-Aufwärts-Wandler).

Bei der Verwendung eines Schaltwandlers sollten die Vor- und Nachteile genau beachtet werden.

Vorteile

  • Schaltwandler punkten mit ihrem hohen Wirkungsgrad und vergeuden gegenüber LDOs weniger Energie in Form von Wärme. Sie sind damit eine ideale Lösung für energieeffiziente und batteriebetriebene Anwendungen.

  • Dank ihrer Eignung für einen weiten Bereich von Eingangsspannungen eignen sich Schaltwandler gut für Anwendungen mit schwankender oder instabiler Stromversorgung.

  • Was den Platzbedarf und das Gewicht angeht, sind Schaltwandler den Linearreglern überlegen. Sie sind somit die erste Wahl für Anwendungen, in denen diese Kriterien entscheidend sind.

  • Schaltwandler liefern auch bei schwankender oder instabiler Eingangsspannung eine stabile Ausgangsspannung, sodass sie eine zentrale Rolle für die zuverlässige Versorgung elektronischer Geräte spielen.

  • Schaltwandler bieten ein schnelles Lastsprungverhalten und sind damit die richtige Wahl für Anwendungen, die eine schnelle Anpassung an Laständerungen erfordern.

  • Eine große Stärke von Schaltwandlern ist ihre Vielseitigkeit, denn sie können für ein breites Spektrum von Ausgangsspannungen und Lastströmen ausgelegt werden und kommen daher für unterschiedlichste Anwendungen in Frage.

  • Mit ihrer minimalen Wärmeentwicklung sind Schaltwandler vorteilhaft für Anwendungen, in denen ein effektives Wärmemanagement hohe Priorität hat.

Nachteile

  • Design und Implementierung gestalten sich bei Schaltwandlern komplexer als bei Linearreglern und erfordern mehr zusätzliche Bauteile und aufwändige Regelschaltungen. Diese zusätzliche Komplexität kann die Entwicklungskosten erhöhen und Zuverlässigkeitsprobleme mit sich bringen.

  • Schaltwandler können elektromagnetische Störgrößen erzeugen, die in der Nähe befindliche Bauteile beeinflussen. Zur Abwendung potenzieller Probleme sind deshalb zusätzliche Filter- und Abschirmmaßnahmen notwendig.

  • Bestimmte Schaltwandler-Designs können eine höhere Ausgangsspannungs-Welligkeit aufweisen als Linearregler – ein Problem für Anwendungen, die nach extrem geringem Rauschen verlangen.

  • Schaltwandler sind zwar effizienter, können im Design und in der Herstellung aber teurer sein, weil sie zusätzliche Bauteile und Regelschaltungen benötigen.

  • Nicht alle Schaltwandler sind für jeden Anwendungsfall geeignet. Dies gilt insbesondere für Szenarien, in denen elektrische Störbeeinflussungen ein Problem sind oder in denen es auf eine makellose Gleichspannung am Ausgang ankommt.

  • Einige Schaltwandler-Designs sind hinsichtlich des maximalen Laststroms begrenzt. In Anwendungen mit hohem Leistungsbedarf können deshalb umfangreichere und komplexere Schaltwandler-Designs erforderlich sein.

Buck-Wandler (Abwärtswandler)

Abwärtswandler sind eine besondere Art von Schaltwandlern, die die Eingangsspannung in eine niedrigere Ausgangsspannung umwandeln. Sie werden häufig zur Versorgung von Mikrocontrollern oder Low-Power-Mikroprozessoren eingesetzt. Ein Abwärtswandler schaltet den Leistungsschalter (meist ein Transistor) periodisch ein und aus, wobei Energie in einer Speicherdrossel und einem Kondensator gespeichert und dosiert an den Ausgang abgegeben wird.

Auch wenn die Wahl auf einen Abwärtswandler als Stromversorgungs-Topologie fällt, müssen die Vor- und Nachteile sorgfältig abgewogen werden. Hier folgt eine Zusammenfassung dieser wichtigen Gesichtspunkte:

Vorteile

  • Abwärtswandler sind für die Effizienz bekannt, mit der sie hohe Eingangsspannungen in niedrigere Ausgangsspannungen umwandeln können. Sie setzen weniger Energie in Wärme um als Linearregler.

  • Dank ihres hohen Wirkungsgrads erzeugen Abwärtswandler weniger Wärme – wichtig für Anwendungen, in denen das Wärmemanagement ein Thema ist.

  • Abwärtswandler sind in der Regel kleiner und leichter als Linearregler und eignen sich damit für Anwendungen mit Größen- und Gewichtsbeschränkungen.

  • Abwärtswandler kommen mit einem breiten Eingangsspannungsbereich zurecht und funktionieren somit auch dann, wenn die Eingangsspannung schwankt oder instabil ist.

  • Dank ihres schnellen Lastsprungverhaltens eignen sich Abwärtswandler für Anwendungen, die eine rasche Anpassung an geänderte Lastbedingungen erfordern. Abwärtswandler liefern auch bei schwankender Eingangsspannung eine stabile und gut geregelte Ausgangsspannung.

  • Abwärtswandler kommen üblicherweise in batteriebetriebenen Anwendungen zum Einsatz, in denen es auf maximale Energieeffizienz ankommt. Durch Minimierung der Verluste tragen sie zur Verlängerung der Batterielebensdauer bei.

Nachteile

  • Für einen einwandfreien Betrieb benötigen Abwärtswandler komplexe Regelschaltungen, was die Designkomplexität erhöhen und mögliche Zuverlässigkeitsprobleme mit sich bringen kann.

  • Wegen ihres geschalteten Betriebs können Abwärtswandler elektromagnetische Interferenzen erzeugen, was zusätzliche Filter- und Abschirmmaßnahmen erfordert.

  • Einige Abwärtswandler-Designs können eine höhere Ausgangsspannungs-Welligkeit aufweisen als Linearregler. Dies kann problematisch für Anwendungen sein, die nach sehr geringem Rauschen verlangen.

  • Abwärtswandler können die Eingangsspannung nur herabsetzen und kommen daher nicht für Anwendungen in Frage, bei denen die Ausgangsspannung höher sein muss als die Eingangsspannung.

  • Bestimmte Abwärtswandler-Designs können hinsichtlich ihres maximalen Laststroms beschränkt sein. Anwendungen mit hohem Leistungsbedarf benötigen möglicherweise komplexe Abwärtswandler-Konfigurationen.

  • Das Design eines Abwärtswandler und das Auswählen der Bauelemente kann anspruchsvoll sein und erfordert große Sorgfalt bei der Wahl der Speicherdrossel, bei der Festlegung der Schaltfrequenz und beim Design der Regelschleife.

SIMO-Wandler

SIMO ist die Bezeichnung einer innovativen Power-Management-Technik, die mit einer einzigen Induktivität mehrere geregelte Ausgangsspannungen bereitstellt. Traditionelle Schaltungen dagegen benötigen für jede Ausgangsspannung eine eigene Induktivität, was den Bauteileaufwand ebenso erhöht wie die Kosten und die Energieverluste. Bei der SIMO-Technik vereinfacht sich die Situation, da eine Induktivität von mehreren Ausgängen genutzt wird. Ein höherer Wirkungsgrad und ein reduzierter Flächenbedarf sind das Resultat.

Auch beim Einsatz eines SIMO-Wandlers müssen mehrere Faktoren berücksichtigt werden. Die Vor- und Nachteile dieser Topologie sind hier zusammengefasst:

Vorteile

  • Die SIMO-Topologie steigert die Energieeffizienz, indem eine Induktivität für mehrere Ausgänge genutzt wird. Dies reduziert die Verluste und ist günstig für batteriebetriebene Anwendungen.

  • Durch die Verwendung einer Induktivität für mehrere Ausgänge reduziert die SIMO-Topologie die benötigte Leiterplattenfläche, was ein bedeutender Vorteil für kompakte, für beengte Verhältnisse konzipierte Anwendungen ist.

  • Weniger Bauteile und ein einfacherer Schaltungsaufbau führen bei der SIMO-Technik zu Kosteneinsparungen in der Produktion. Das Fehlerrisiko sinkt, und die Zuverlässigkeit verbessert sich.

  • Dank des höheren Wirkungsgrads erzeugen SIMO-Designs weniger Wärme, sodass das Temperaturniveau im Betrieb niedriger ist und die Gerätelebensdauer potenziell steigt, ohne dass ein komplexes Wärmemanagement notwendig ist.

  • Die SIMO-Topologie ermöglicht kompakte und energieeffiziente Stromversorgungen und eignet sich deshalb ideal für Wearables, IoT-Geräte und Smartphones.

Nachteile

  • Verglichen mit traditionellen Stromversorgungs-Lösungen bringt die SIMO-Topologie eine komplexere Regelung mit sich. Um Stabilität und Zuverlässigkeit für mehrere Ausgänge zu erreichen, sind sorgfältigstes Design und ausgefeilte Regelungsschaltungen erforderlich.

  • Wegen der Verwendung einer einzigen Induktivität unterstützt die SIMO-Technik meist nur eine begrenzte Zahl von Ausgängen. Sie eignet sich damit weniger gut für Anwendungen, die viele unterschiedliche Spannungen benötigen.

  • SIMO-Designs haben es möglicherweise schwer, rasch auf plötzliche Laständerungen zu reagieren, da sich die gemeinsam genutzte Induktivität auf unterschiedliche Spannungsanforderungen einstellen muss.

  • Bei der Entwicklung von SIMO-Designs ist eine sorgfältige Abwägung erforderlich zwischen der Zahl der Ausgänge, dem Wirkungsgrad und dem Bauteileaufwand. Die richtige Wahl für eine bestimmte Anwendung zu treffen, kann durchaus anspruchsvoll sein.

  • Die Umstellung bestehender Geräte auf die SIMO-Technik kann einen erheblichen Redesign-Aufwand mit sich bringen und ergibt potenzielle Hindernisse, die einer reibungslosen Integration entgegenstehen.

Aufwärtswandler

Aufwärtswandler wandeln die Eingangsspannung in eine höhere Ausgangsspannung um. Sie sind zwar bei Mikrocontrollern und Mikroprozessoren weniger gebräuchlich, werden aber in Anwendungen genutzt, die eine höhere Core-Spannung benötigen.

Ebenso wie bei den bereits beschriebenen Topologien, müssen auch beim Design eines Aufwärtswandlers verschiedene Gesichtspunkte detailliert ins Kalkül gezogen werden. Hier folgt eine Übersicht über die Plus- und Minuspunkte dieser Topologie:

Vorteile

  • Ideal für Hochvolt-Anwendungen. Aufwärtswandler eignen sich bestens für Applikationen, in denen die Ausgangsspannung höher sein muss als die Eingangsspannung.

  • Aufwärtswandler können die Eingangsspannung auf effiziente Weise auf die benötigte Ausgangsspannung hochsetzen.

Nachteile

  • Aufwärtswandler sind in der Regel weniger effizient als Abwärtswandler.

  • Aufwärtswandler sind möglicherweise nicht die beste Wahl für batteriebetriebene Geräte, bei denen die Energieeffizienz höchste Priorität hat, denn sie benötigen mehr Energie und verkürzen die Batterielaufzeit.

Ab-Aufwärtswandler

Ab-Aufwärtswandler kombinieren die Fähigkeiten von Abwärts- und Aufwärtswandlern und können die Eingangsspannung sowohl verringern als auch erhöhen, um die benötigte Ausgangsspannung bereitzustellen. Dank dieser Flexibilität empfehlen sie sich als vielseitige Lösung für Anwendungen mit wechselnden Spannungsanforderungen.

Der Ab-Aufwärtswandler zum Beispiel regelt die Ausgangsspannung eines Akkusatzes, dessen Spannung sich mit fortschreitender Entladung ändert. Wenn sich der Akkusatz im Lademodus befindet (im Entladebetrieb beträgt die Eingangsspannung rund 4,5 V bis 5 V), kann die Spannung der Akkuzellen auf Werte zwischen 2,7 V und 1,5 V zurückgehen, weshalb für Anwendungen dieser Art ein Ab-Aufwärtswandler unabdingbar ist.

Bei der Verwendung eines Ab-Aufwärtswandlers als Stromversorgungs-Architektur gilt es ebenfalls mehrere Aspekte zu beachten. Die Vor- und Nachteile dieser Option sind wie folgt kurz zusammengefasst:

Vorteile

  • Vielseitig einsetzbar für wechselnde Ein- und Ausgangsspannungen. Da der Ab-Aufwärtswandler mit einem weiten Bereich von Ein- und Ausgangsspannungen zurechtkommt, eignet er sich für Anwendungen mit unterschiedlichen Stromversorgungs-Anforderungen.

  • Ideal geeignet für batteriebetriebene Geräte. Da die Eingangsspannung bei batteriebetriebenen Geräten stark variieren kann, eignen sich Ab-Aufwärtswandler zum effizienten Regeln der Ausgangsspannung unabhängig von der jeweiligen Batteriespannung.

  • Ab-Aufwärtswandler können an einer einzigen Spannungsquelle betrieben werden und eignen sich somit ideal für Anwendungen, in denen nur eine Quelle zur Verfügung steht.

Nachteile

  • Ab-Aufwärtswandler sind komplexer als einfachere Wandlertopologien wie etwa dedizierte Abwärts- oder Aufwärtswandler, was zusätzliche Überlegungen beim Design und eine sorgfältige Auswahl der Bauelemente erfordern kann.

Auf die Topologie kommt es an

Welche Faktoren sind bei der Entscheidung für eine bestimmte Topologie zu beachten? Um über die richtige Stromversorgung für einen Mikroprozessor oder Mikrocontroller zu entscheiden, muss eine ganze Reihe von Faktoren berücksichtigt werden. Einige wichtige Aspekte sind nachfolgend aufgeführt:

  • Energieeffizienz: Nachdem der Leistungsbedarf des jeweiligen Geräts ermittelt ist, sollte eine Topologie mit hoher Effizienz gewählt werden, um den Energieverbrauch und die Wärmeentwicklung zu minimieren.

  • Eingangsspannungsbereich: Stellen Sie fest, in welchem Bereich sich die Eingangsspannung des Geräts im Betrieb bewegen kann. Achten Sie darauf, dass die gewählte Topologie für diesen Bereich geeignet ist.

  • Ausgangsspannung: Ermitteln Sie die vom verwendeten Mikrocontroller oder Mikroprozessor benötigte Core-Spannung. Einige Topologien, darunter der Ab-Aufwärtswandler, bieten in dieser Hinsicht mehr Flexibilität.

  • Größen- und Gewichtsrestriktionen: Wenn für die Anwendung Größen- oder Gewichtsbeschränkungen bestehen, sollte die Wahl auf eine Topologie fallen, mit der sich leichte und kompakte Lösungen realisieren lassen.

  • Kosten: Untersuchen Sie die Kostenvorgaben des Projekts. Während Linearregler bei niedrigem Leistungsbedarf durchaus kosteneffektiv sein können, sind Schaltwandler bei höherem Leistungsbedarf möglicherweise die kosteneffizientere Lösung.

  • EMV: Wenn die Anwendung die Einhaltung von EMV-Vorschriften erfordert, muss sichergestellt sein, dass die gewählte Topologie diese Anforderungen mit geeigneten Layout- und Filtermaßnahmen erfüllt.

  • Sprungantwort: Beachten Sie auch das Lastsprungverhalten der Stromversorgung. Bei Mikroprozessoren und Mikrocontrollern kann sich der Laststrom oftmals plötzlich ändern, weshalb eine Topologie mit schnellem und stabilem Lastsprungverhalten wichtig ist, um Spannungseinbrüche und -überschwinger zu vermeiden.

  • Zuverlässigkeit: Beachten Sie die Zuverlässigkeitsvorgaben der Anwendung. Einige Topologien, darunter auch Linearregler, sind in bestimmten Szenarien unter Umständen zuverlässiger, da sie weniger Bauelemente benötigen.

  • Umgebungsbedingungen: Auch die Betriebsumgebung der Applikation muss berücksichtigt werden. Während in batteriebetriebenen Anwendungen die Energieeffizienz entscheidend ist, sind in industriellen Applikationen die Robustheit und die Störbeständigkeit wichtiger.

Tipps zur praktischen Implementierung

Wenn Sie sich für die passende Stromversorgungs-Topologie entschieden haben, können die folgenden Tipps hilfreich für eine erfolgreiche Implementierung sein:

  • Auswahl der Bauelemente: Wählen Sie qualitativ hochwertige Bauelemente (Induktivitäten, Kondensatoren, Transistoren und so weiter), um einen stabilen und zuverlässigen Betrieb zu gewährleisten.

  • Layout und Routing: Verwenden Sie viel Sorgfalt auf das Layout und das Routing der Leiterplatte für Ihre Stromversorgung. Minimieren Sie die von Stromschleifen umschlossenen Flächen und nutzen Sie geeignete Masseverbindungs-Techniken, um die Störaussendungen einzudämmen und die elektromagnetische Verträglichkeit zu verbessern.

  • Filterung: Greifen Sie bedarfsweise auf Eingangs- und Ausgangsfilter zurück, um die elektromagnetischen Interferenzen zu reduzieren und die Voraussetzungen für eine saubere, stabile Ausgangsspannung zu schaffen.

  • Schutzmaßnahmen: Implementieren Sie Schutzfunktionen wie Überspannung, Unterspannung und Überstrom, um den Mikroprozessor beziehungsweise Mikrocontroller vor Schäden zu bewahren.

  • Prüfung und Charakterisierung: Prüfen und charakterisieren Sie Ihre Stromversorgungs-Schaltung unter verschiedenen Betriebsbedingungen, um sicherzustellen, dass sie die angestrebten Spezifikationen einhält.

  • Wärmemanagement: Wenn das Design viel Verlustleistung erzeugt, sollten zur Vermeidung von Überhitzungen möglicherweise Kühlkörper oder andere Wärmemanagement-Maßnahmen angewandt werden.

Zusammenfassung

Die Wahl der richtigen Stromversorgungs-Topologie für einen Mikroprozessor oder Mikrocontroller stellt einen wichtigen Schritt im Rahmen des Designprozesses dar. Jede Topologie besitzt ihre ganz spezifischen Vor- und Nachteile, und die Entscheidung sollte sich nach den individuellen Erfordernissen Ihrer Applikation richten. Faktoren wie die Energieeffizienz, der Eingangsspannungsbereich und die Stabilität der Ausgangsspannung sollten in die Überlegungen einbezogen werden, um zu einer fundierten Entscheidung zu kommen, die für einen optimalen Betrieb der jeweiligen Applikation sorgt.

Hervorzuheben ist jedoch, dass die Implementierungsphase von ebenso großer Bedeutung ist. Die Wahl der richtigen Bauelemente, Sorgfalt beim Layout und beim Routing und gründliches Testen sind entscheidend dafür, dass das Potenzial der gewählten Stromversorgungs-Topologie vollständig ausgeschöpft werden kann. Werden all diese Details beachtet, lassen sich Mikroprozessoren und Mikrocontroller effektiv mit Strom versorgen, damit sie in den unterschiedlichsten Anwendungen optimal funktionieren können.

Bildergalerie

  • Der Linearregler ADP7142 liefert eine Ausgangsspannung von 1,8 V.

    Der Linearregler ADP7142 liefert eine Ausgangsspannung von 1,8 V.

    Bild: Analog Devices

  • Buck, Boost und Buck-Boost sind die grundlegenden Topologien von Schaltwandlern

    Buck, Boost und Buck-Boost sind die grundlegenden Topologien von Schaltwandlern

    Bild: Analog Devices

  • Beispielschaltung mit dem Ab-Aufwärtswandler LTC3114-1, konfiguriert für eine Ausgangsspannung von 3,3 V

    Beispielschaltung mit dem Ab-Aufwärtswandler LTC3114-1, konfiguriert für eine Ausgangsspannung von 3,3 V

    Bild: Analog Devices

  • Beispielschaltung mit dem Micropower-Abwärtswandler LT8631

    Beispielschaltung mit dem Micropower-Abwärtswandler LT8631

    Bild: Analog Devices

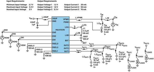
  • SIMO-Wandler des Typs MAX17270, konfiguriert für drei Ausgangsspannungen

    SIMO-Wandler des Typs MAX17270, konfiguriert für drei Ausgangsspannungen

    Bild: Analog Devices

  • Aufwärtswandler LT8336 in einer Anwendung mit 24 V Ausgangsspannung

    Aufwärtswandler LT8336 in einer Anwendung mit 24 V Ausgangsspannung

    Bild: Analog Devices

  • Kennlinien zum Abwärtswandler LT8631, generiert mit LTpowerCAD

    Kennlinien zum Abwärtswandler LT8631, generiert mit LTpowerCAD

    Bild: Analog Devices

Firmen zu diesem Artikel
Verwandte Artikel