Auf Langlebigkeit getrimmt

Optimale galvanische Trennung in elektronischen Schaltungen

Durch die Zuverlässigkeitsprüfung kann die Lebenszeit der Optokoppler deutlich verlängert werden.

Bild: iStock, Anton Aleksenko
08.03.2023

Stromversorgungen, Haushaltsgeräte, Batterieladegeräte für Smartphones – Beispiele für Anwendungen, die eine galvanische Trennung zwischen zwei Stromkreisen benötigen. Die galvanische Trennung kann auf verschiedene Weise erreicht werden: mit Transformatoren, Kondensatoren oder Optokopplern. Optokoppler haben einige Vorteile. Doch wie lassen sie sich möglichst lange nutzen?

Zu den Vorteilen von Optokopplern gehören unter anderem ihre hervorragende Störfestigkeit mit hoher Isolationsspannung in einem kleinen Gehäuse sowie ihre Vielseitigkeit bei der Signalübertragung. Es sind nieder- und mittelfrequente Signalübertragungen mit Optokopplern möglich, mit Gleich- und Wechselstrom, analog und digital. Hauptaufgaben von Fototransistor-Optokopplern sind der Überspannungsschutz, der Schutz von Personen vor gefährlichen elektrischen Anlagen und das Trennen von Niederspannungs-Steuerstromkreisen von Hochspannungsstromkreisen.

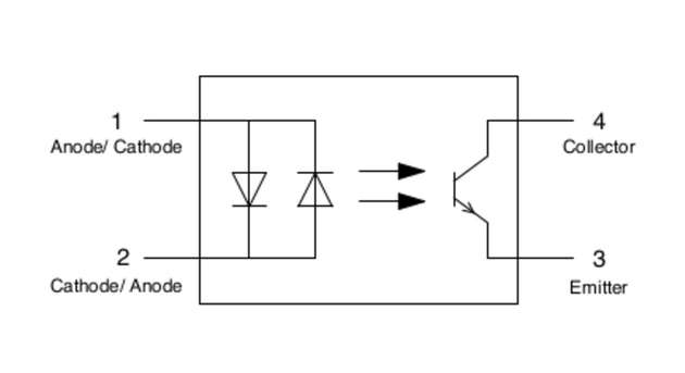
Der Aufbau eines Optokopplers

Der einfachste Optokoppler besteht aus einer Infrarot-LED, die optisch mit einem Fototransistor gekoppelt, aber elektrisch voneinander isoliert ist. Sendet die LED Licht aus, fließt im Fototransistor Strom proportional zur Lichtintensität. Es gibt zwei Arten von Optokopplern auf dem Markt: Optokoppler mit Gleichstromeingang und Optokoppler mit Wechselstromeingang. DC-Eingangs-Optokoppler haben eine LED auf der Eingangsseite und leiten daher den Strom nur in eine Richtung. Sie werden in der Regel für Schaltanwendungen eingesetzt. AC-Optokoppler besitzen zwei LEDs, die in umgekehrter Richtung parallelgeschaltet sind, so dass der Strom in zwei Richtungen fließen kann, was zu einer Halbwelle eines alternierenden Eingangssignals führt.

Auswahlkriterien

Ein zentraler Parameter bei der Wahl eines Optokopplers ist die Isolationsspannung, die sich aus der Konstruktion des Bauelements und seines Gehäuses ergibt, bestimmt durch Kriechstrecke, Luftstrecke und Isolationsdicke. Verschiedene Gehäusegrößen und -typen mit verschiedenen Leadframe-Optionen (DIP4-, SOP4-, LSOP4-, THT- oder SMT-Montage-Gehäuse...) können je nach Anwendung und Leiterplattenlayout gewählt werden.

Das wichtigste Auswahlkriterium ist allerdings das Stromübertragungsverhältnis (CTR = Current Transfer Ratio), welches die Leistung des Optokopplers beschreibt. Es ist definiert als das Verhältnis zwischen dem Strom, der durch die LED (IF) fließt, und dem Strom, der durch den Fototransistor (IC) fließt: CTR=IC / IF * 100 Prozent

Im Optokoppler-Portfolio von Würth Elektronik stehen verschiedene CTR-Binnings im Bereich von 50 bis 600 Prozent – je nach Zielapplikation – zur Verfügung. Um bei einem Design mit dedizierten Optokopplern stabile und zuverlässige Anwendungen zu schaffen, ist es besonders wichtig zu verstehen, dass der CTR-Wert von der Umgebungstemperatur und Alterung beeinflusst wird.

Lebensdauer

Eine der wichtigsten Überlegungen bei der Schaltungsentwicklung ist die erwartete Lebensdauer, die sich aus dem Produkt selbst und den einzelnen Komponenten ergibt. In Bezug auf die Komponenten ist bei einigen davon nach einer gewissen Zeit mit einem vollständigen Ausfall zu rechnen, bei anderen mit einer nachlassenden Leistung. Bei Optokopplern verschlechtert sich die Leistung (Stromübertragungsverhältnis) mit der Zeit, abhängig von den Betriebsbedingungen. Die Lebensdauer von Optokopplern kann mehrere Jahrzehnte übersteigen, daher wird ein beschleunigter Belastungstest unter verschärften Betriebsbedingungen durchgeführt. Für die Zuverlässigkeitsprüfung ist es von Interesse, die Dauer des Stresstests zu verkürzen und gleichzeitig die resultierende Lebensdauer unter normalen Einsatzbedingungen vorhersagen zu können.

Beim Testen von Optokopplern mit erhöhter Temperatur und Stromstärke läuft die schädliche Degradation deutlich schneller ab als unter normalen Betriebsbedingungen der Bauteile mit geringerer Temperatur und niedrigerer Stromstärke. Der CTR-Verlauf wird in Abhängigkeit von unterschiedlichen Betriebsdurchlassströmen IF und einer Betriebstemperatur TA dargestellt. Dabei muss beachtet werden, dass die erwartete CTR-Verschlechterung durch eine Verringerung der Betriebstemperatur und des Vorwärtsstroms der LED deutlich reduziert werden kann.

Verlängerung der Optokoppler-Lebensdauer

Angesichts der angegebenen Zuverlässigkeitsdaten kann die Lebensdauer von Optokopplern mit folgenden Konstruktionsrichtlinien erhöht werden:

  • Verringerung der effektiven Betriebszeit des eingesetzten Optokopplers.

  • Verringerung des Betriebsstroms der Optokoppler-Diode und der Verlustleistung der LED.

  • Vermeidung von transienten Spitzenströmen durch die Optokoppler-LED.

  • Genaue Anpassung des Duty Cycle der LED, um den durchschnittlichen Strom niedrig zu halten.

Bei Produkten, deren Stabilität kritisch ist, wie etwa Geräten mit medizinischer Anwendung, kann die Zuverlässigkeit des Optokopplers zusätzlich durch ein Burn-In-Verfahren erhöht werden. Um eine Beschädigung der Geräte zu vermeiden, sollten die Burn-in-Parameter jedoch unterhalb der absoluten Höchstwerte gehalten werden.

Bildergalerie

  • Zu erwartender durchschnittliche CTR-Verlauf über der Feldzeit in Abhängigkeit des Vorwärtsstroms IF. Parameter für den Feldeinsatz: 100 Prozent Einschaltdauer, 80 °C Umgebungstemperatur, verschiedene Vorwärtsströme wie angegeben. Stresstest-Parameter: 1000 h Test, 110 °C Testtemperatur, 30 mA Vorwärtsstrom.

    Zu erwartender durchschnittliche CTR-Verlauf über der Feldzeit in Abhängigkeit des Vorwärtsstroms IF. Parameter für den Feldeinsatz: 100 Prozent Einschaltdauer, 80 °C Umgebungstemperatur, verschiedene Vorwärtsströme wie angegeben. Stresstest-Parameter: 1000 h Test, 110 °C Testtemperatur, 30 mA Vorwärtsstrom.

    Bild: Würth Elektronik eiSos

  • Zu erwartender durchschnittliche CTR-Verlauf über der Feldzeit in Abhängigkeit von der Umgebungstemperatur. Parameter für den Feldeinsatz: 100 Prozent Einschaltdauer, 5 mA Vorwärtsstrom sowie Umgebungstemperaturen wie angegeben. Stresstest-Parameter: 1000 h Test, 110 °C Testtemperatur, 30 mA Vorwärtsstrom.

    Zu erwartender durchschnittliche CTR-Verlauf über der Feldzeit in Abhängigkeit von der Umgebungstemperatur. Parameter für den Feldeinsatz: 100 Prozent Einschaltdauer, 5 mA Vorwärtsstrom sowie Umgebungstemperaturen wie angegeben. Stresstest-Parameter: 1000 h Test, 110 °C Testtemperatur, 30 mA Vorwärtsstrom.

    Bild: Würth Elektronik eiSos

  • Der AC-Optokoppler besitzt im Eingangskreis zwei gegenläufige LEDs.

    Der AC-Optokoppler besitzt im Eingangskreis zwei gegenläufige LEDs.

    Bild: Würth Elektronik eiSos

  • DC-Optokoppler

    DC-Optokoppler

    Bild: Würth Elektronik eiSos

Firmen zu diesem Artikel
Verwandte Artikel