Assistenzsysteme

Autonomes Fahren ermöglichen

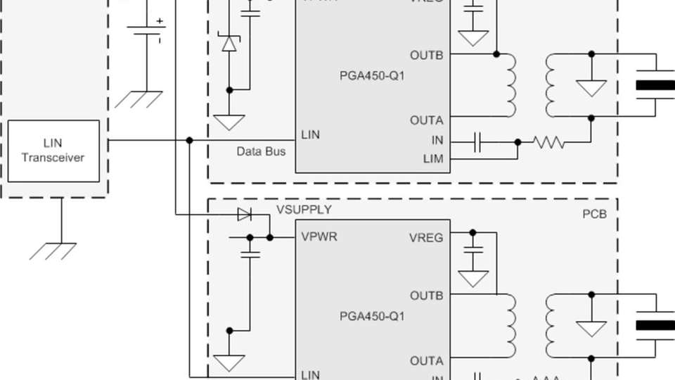
Schaltbild eines Ultraschallsensorprozessor, der Objekte auf einen Zentimeter genau erfassen kann – bei einer Reichweite von bis zu sieben Meter.

Bild: Mouser Electronics
11.10.2016

Aus der Luftfahrt heraus sind viele Technologien entstanden, auf die heutige Assistenzsysteme zurückgreifen. Die Geheimzutat liegt jedoch in der Systemsoftware. Hier bestimmt der Fortschritt der künstlichen Intelligenz die Bauteiltechnologien für autonomes Fahren.

Obwohl viele das autonome Fahrzeug für ein relativ neues Konzept halten, wurde dieser Ansatz das erste Mal auf der Weltausstellung 1939 in New York vorgestellt. Auf dem Weg zum heutigen Stand der Technik gab es viele entscheidende und richtungsweisende Entwicklungen. Tatsächlich kann ein zu 90 Prozent autonomes Auto bereits seit Jahrzehnten aus Standardkomponenten gebaut werden. Soll es aber zu
99 Prozent autonom fahren, wird der Aufwand bereits um das Zehnfache höher, und für 99,9 Prozent Autonomie erhöht er sich nochmal um das Zehnfache. Anders gesagt: Der Bau eines vollständig autonomen Fahrzeugs mit einem akzeptablen Grad an konstruktions- und datentechnischer Sicherheit für den Einsatz auf unseren vielbefahrenen Straßen ist ein sehr, sehr viel komplexeres Unterfangen als der Bau eines Fahrzeugs, das zwar mit einigen Fahrerassistenzsystemen (ADAS, Advanced Driver Assistance Systems) ausgestattet ist, sich aber doch unter ständiger menschlicher Kontrolle befindet.

Auf die Software kommt es an

Während die Fortschritte bei der Hardware, insbesondere bei Rechenleistung und Sensortechnik, maßgeblich dazu beigetragen haben, ADAS wirtschaftlich und technisch umsetzbar zu machen, liegt die eigentliche und entscheidende Geheimzutat in der Systemsoftware. Hier bestimmt der Fortschritt in der künstlichen Intelligenz (KI oder AI, Artificial Intelligence), wie Fahrzeuge die Signale verarbeiten und auf diese reagieren, die sie von ihren eigenen elektronischen Systemen, von anderen Fahrzeugen und von der direkten Umgebung empfangen.

Flugzeuge fliegen schon seit geraumer Zeit mit einem mehr oder minder hohen Grad an Autonomie, und die geringe Unfallrate beweist, wie viel sicherer es am Himmel ist als auf unseren Straßen, was allerdings auch auf die relativ große Distanz zwischen den (Luft-)Fahrzeugen zurückzuführen ist. Aus der Luftfahrt heraus sind viele der Technologien entstanden, auf die die Assistenzsysteme der heutigen Fahrzeuge aufbauen. Betrachten wir einige Beispiele: Die elektronische Fly-by-
wire-Technik wurde zum ersten Mal 1958 in einem produktionsreifen Militärflugzeug (dem Avro Canada CF-105 Arrow) eingesetzt, dessen Stabilisierungssystem mit Kreiseln funktionierte, deren miniaturisierte Nachfolgeversionen wir in den Fahrerassistenzsystemen von heute finden. Das Head-up-
Display (HUD) in Flugzeugen ist eine Weiterentwicklung der parallaxenfreien optischen Visiertechnik, auch Reflexvisier oder Kollimatorvisier genannt, das 1937 erstmals entwickelt wurde. Die ersten HUDs in Autos kamen 1988 beim Oldsmobile Cutlass Supreme von General Motors, dicht gefolgt vom Nissan 240SX im Jahr 1989, auf den Markt.

Die ADAS-Entwicklung im automobilen Bereich konzentriert sich auf adaptive und vorausschauende Technologien, die das Fahren besser und sicherer machen. Sind diese Systeme eingebaut und eingeschaltet, wird das Fahren zu einem von Fahrer und ADAS gemeinschaftlich durchgeführten Vorgang. Die Systeme warnen, melden und leiten zwar die Vorgänge ein, der Fahrer aber behält die Verantwortung für das Fahrzeug. In Zukunft werden die Systeme so weit entwickelt sein, dass sie Entscheidungen schneller und besser treffen können als der Mensch – was einige sehr interessante ethische Fragen darüber aufwirft, wo die Entscheidungsgewalt und -verantwortung liegt.

Bauelemente in heutigen Assistenzsystemen

Eines ist offensichtlich: die Anzahl der elektronischen Schaltungen in Fahrzeugen ist heute schon gewaltig und wächst mit jedem Tag. Zu den Schlüsselaspekten bei Assistenzsystemen gehört die Verarbeitung der Daten von Kameras sowie Radar-, Ultraschall- oder anderen Sensoren, die den Fahrer auf potenzielle Probleme und Gefahren hinweisen oder ihn zum Beispiel dabei unterstützen sollen, in seiner Fahrspur zu bleiben, den Abstand zum Vordermann einzuhalten oder automatisch einzuparken. Zu diesen Systemen gehören meistens ein Powermanagement, eine Vielzahl an Kommunikationsschnittstellen, Anzeigetreiber und Stromversorgung sowie Mikrocontroller (MCUs) – sowohl in Standard- als auch in
Sicherheitsausführungen.

Hier sind einige Beispiele von Bauelementen, die aktuell in Assistenzsystemen eingebaut sind, die auch die zukünftige Entwicklung von autonomen Fahrzeugen unterstützen werden. Ultraschall-Sensoren (US) werden für die Berechnung der Parkabstände und zur Erkennung von Objekten verwendet. Texas Instruments stellt mit dem PGA450-Q1 ein signalverarbeitendes Interface für Ultraschallsignale her, das nach AEC Q-100 qualifiziert ist. Das Bauteil verarbeitet Echosignale und berechnet daraus den Abstand zwischen einem US-Messumformer und einem Objekt. Die daraus resultierenden Daten werden über ein LIN-2.1-Netzwerk versendet. Beim paarweisen Einsatz, wie im Diagramm dargestellt, können die Geräte je nach gewähltem Messumformer-Wandler-Paar Abstände von unter einem bis zu sieben Metern mit einer Genauigkeit von einem Zentimeter messen. Jedes Bauteil ist mit Spannungsreglern, einem A/D-Wandler, 8-Bit-Mikrocontroller (auf 8051-Basis), Oszillator und physischer LIN-2.1-Schnittstelle sowie Kommunikationsprotokoll ausgestattet. Dank der MCU und des Programmspeichers kann der PGA450-Q1 für Endanwendungen konfiguriert werden.

Auch bei der Beleuchtung steht Innovation an erster Stelle: der NCV78763 von ON Semiconductor, ein Vorschaltgerät und dualer LED-Treiber. Es ist ein DC/DC-Aufwärts-
Abwärtswandler mit zwei Ausgängen, der zwei LED-Strings mit bis zu 60 Volt ansteuern kann. Der Treiber wird für Scheinwerferanwendungen eingesetzt, zu denen Fern-, Abblend- und Tagfahrlicht sowie Blinker und Nebelscheinwerfer gehören. Er ist mit einer On-chip-Diagnosefunktion für die Sicherheitsüberwachung ausgestattet, die zusätzliche Systemressourcen schafft, weil der Mikrocontroller von diesen Aufgaben befreit wird. Außerdem verfügt das Bauteil über einen eingebauten stromgesteuerten Spannungsverstärkungsregler, der die Auslegung des Eingangsfilters vereinfacht und die Teileliste verkürzt. Mehrere der AEC-qualifizierten Chips können kombiniert und über ein SPI-Interface so eingerichtet werden, dass sie eine flexible Plattform für eine Vielzahl an LED-Beleuchtungsoptionen bilden.

Eine weitere wichtige Sicherheitseinrichtung ist die Reifendrucküberwachung, die schon in vielen Fahrzeugen zum Einsatz kommt. NXP bietet hierfür ein drahtgebundenes oder drahtloses Sensorbauteil mit geringem Strombedarf, das FXTH8715 (ursprünglich von Freescale vor dessen Übernahme durch NXP), das speziell für diese Anwendung entworfen wurde. In einem QFN-Package mit 7 mm x 7 mm x 2,2 mm sind Druck- und Temperatursensoren, XZ-Achsen- oder Z-Achsen-Beschleunigungsmesser, 125-kHz-NF(Niederfrequenz)-Empfänger und 315/434-MHz-HF(Hochfrequenz)-Sender sowie ein 8-Bit-Mikrocontroller untergebracht. Das Bauteil kann den Druck in einem Bereich von 100 bis 1.500 Kilopascal genau messen, sodass es sogar in Lastkraftwagen, Bussen und Baufahrzeugen eingesetzt werden kann.

Sogar Hersteller von passiven Bauelementen berücksichtigen bei der Entwicklung ihrer Produkte die Einsetzbarkeit im Fahrzeugbau. Metalloxid-Varistoren – oder auch spannungsabhängige Widerstände – sind wichtige Bauteile für den Schutz vor transienten und Stoßspannungen, die elektronische Schaltkreise sonst zerstören könnten. Zwei der Varistorfamilien von AVX sind besonders für Fahrzeuganwendungen geeignet, sowohl in hoch zuverlässigen Motorsteuergeräten als auch in den eher harmlosen Umgebungen der Innenraumelektronik. Die TransGuard-Mehrschichtvaristoren der Reihen VC und VG sind nach AEC-Q200 qualifizierte Zinkoxidbauteile für den bidirektionalen Schutz. Sie sind in Nennspannungen von 5,8 bis 85 VDC, mit Energiewerten von 0,05 bis 7,3 Joule und Spitzenstoßströmen bis 2.000 A erhältlich. Sie reagieren auf Spannungstransienten in weniger als einer Nanosekunde und bieten so einen unverzichtbaren Schutz für heutige Assistenzsysteme, der in zukünftigen autonomen Fahrzeugen vielleicht von noch viel größerer Bedeutung sein wird.

Natürlich stellen die Steckverbinder in jedem elektronischen System eine potenzielle Schwachstelle dar, wenn es um Zuverlässigkeit geht. Delphi Connection Systems ist seit über 100 Jahren am Markt vertreten und zu einem der bekanntesten Steckverbinderanbieter für elektrische und elektronische Verteilsysteme im Automobilbau geworden. Für die bereits aufgeführten Scheinwerferanwendungen gibt es von Delphi-APEX die HIR2-Steckverbinder für die Aufnahme von Halogen/
Infrarot-Lampen, die wegen ihrer hohen Lichtstärke beim Fern- und Abblendlicht immer mehr Verbreitung finden. Hohe Lichtstärke bedeutet aber auch hohe Betriebsleistung und eine erhebliche Wärmeentwicklung, weshalb diese Steckverbinder für Betriebstemperaturen an der „Lampenfassung“ bis 190 °C ausgelegt und die Steckverbinder und Anschlüsse beziehungsweise Kontakte bis 150 °C geprüft sind. Die Silberbeschichtung soll für optimale Wärmeleitfähigkeit an den Kontakten sorgen und die umlaufende Dichtung der Steckverbinder wird formschlüssig gehalten, um das Eindringen von Feuchte oder anderen Verunreinigungen zu verhindern.

Das autonome Fahrzeug

In diesem Artikel konnten lediglich einige wenige Bauteiltechnologien angerissen werden, die dazu beitragen werden können, dass das autonome Fahrzeug eines Tages Wirklichkeit wird. Diese neue Fahrzeuggattung kann letztendlich aber nur über eine funktionierende funkgestützte Kommunikation zwischen Fahrzeugen (Car-to-Car), vom Fahrzeug zur umgebenden Infrastruktur (Car-to-Infrastructure), und vom Fahrzeug direkt in die Cloud vollständig umgesetzt werden.

Bildergalerie

  • Der Treiber von ON Semiconductor mit zwei Ausgängen für Autoscheinwerfer kann zwei LED-Strings bei bis zu 60 V ansteuern.

    Der Treiber von ON Semiconductor mit zwei Ausgängen für Autoscheinwerfer kann zwei LED-Strings bei bis zu 60 V ansteuern.

    Bild: Mouser Electronics

Firmen zu diesem Artikel
Verwandte Artikel