Display-Grundlagen

Automobildisplays: TFT-LCD-, OLED- und Micro-LED-Displays

Die Nachfrage nach Automobildisplays steigt rasant – bis 2025 werden über 200 Millionen Panels erwartet, wobei größere Formate und neue Technologien wie OLED und Micro-LED den Markt prägen.

Bild: Analog Devices; iStock, Olha Osmak
05.09.2025

In den letzten Jahren hat sich die Automobilindustrie in Bereichen wie Konnektivität, Elektrifizierung, autonomes Fahren und Shared Mobility rasant weiterentwickelt. Im Rahmen dieses Fortschritts wurde das Cockpitdesign neu gestaltet, um das Nutzungserlebnis zu verbessern. Die Nachfrage nach größeren, gebogenen Displays mit höherer Auflösung und besserem Kontrastverhältnis sowie nach neuen Arten von Displays für den Fahrzeuginnenraum wächst immer stärker.

Im Jahr 2018 wurden laut dem IHS Markit Automotive Display Market Tracker 161,5 Millionen Display-Panels für Automobile ausgeliefert, und bis 2025 wird ein Anstieg auf über 200 Millionen Einheiten erwartet.

Um das Fahrerlebnis zu verbessern, sind moderne Fahrzeuge mit verschiedenen Arten von Displays ausgestattet: dem Kombiinstrument, dem zentralen Informationsdisplay (Center Information Display, CID), dem Head-up-Display (HUD), dem Beifahrerdisplay, dem intelligenten E-Spiegel-Display, dem Seitenspiegel-Display und dem Rear-Entertainment-Display. Das Kombiinstrument liefert dem Fahrer beziehungsweise der Fahrerin wichtige Informationen wie Geschwindigkeit und Kraftstoffstand. Das HUD projiziert wichtige Informationen auf die Windschutzscheibe. Die Displays für die Unterhaltung auf den Rücksitzen und die Beifahrerdisplays sind Teil des Infotainment-Systems, mit dem Mitreisende Filme ansehen oder anderen Unterhaltungsaktivitäten nachgehen können. Das digitale Kameramonitorsystem (Camera Monitor System, CMS) ersetzt die Außenspiegel durch zwei bis drei Kameras, während die Seitenspiegel-Displays und E-Spiegel-Displays die visuelle Wahrnehmung der Umgebung durch den Fahrer oder die Fahrerin verbessern.

2018 entfielen laut IHS Markit Automotive Display Market Tracker 10 Prozent der Auslieferungen von Display-Panels für Automobile auf 10-Zoll-Panels, Tendenz steigend (voraussichtlich 18,4 Prozent bis 2025). In den letzten Jahren haben sich Display-Panels mit einer Größe von 12,3 Zoll und mehr als Standardgröße für Kombiinstrumente etabliert.

Seit der Einführung eines 15-Zoll-Touchscreens im Tesla Model 3 im Jahr 2017 geht der Trend bei Display-Panels für Automobile hin zu größeren Bildschirmen mit höherer Auflösung, besseren Kontrastverhältnissen und freier Gestaltung. 2019 wurde der Li Xiang ONE mit einem Display vorgestellt, das sich über die gesamte Breite des Fahrzeugs erstreckt und zwei Bildschirme mit 12,3 Zoll und 16,2 Zoll beinhaltet. Im Jahr 2023 führte die 3er-Reihe von BMW einen 14,9-Zoll-Touchscreen mit Local-Dimming-Technologie ein, der sich von der Seite des Fahrers beziehungsweise der Fahrerin bis zur Mittelkonsole erstreckt. Das Konzeptfahrzeug VISION EQXX ist mit einem 47,5-Zoll-Bildschirm ausgestattet, der die gesamte Breite des Fahrzeugs umfasst und Local-Dimming-Technologie nutzt.

Das HUD der Windschutzscheibe des BMW-Konzeptfahrzeugs „Neue Klasse“ wird 2025 in Serie gehen. Diese HUD-Technologie ermöglicht sichtbare Anzeigen über die gesamte Breite der Windschutzscheibe für alle Insassen. Der untere Rand der Windschutzscheibe mit höherer Lichtintensität und besserem Kontrast zeigt relevante Informationen für Fahrer beziehungswiese Fahrerin und Passagiere an. Zusätzlich gibt es ein zentrales Display, das frei gestaltet werden kann.

Display-Panel-Architektur

TFT-LCDs verwenden Flüssigkristalle, die zwischen zwei Glassubstraten eingeschlossen sind. Das untere Substrat ist mit TFTs versehen, während das obere Substrat als Farbfilter dient. Diese Flüssigkristalle richten sich aus, um die Drehung des Lichts zu modulieren, das durch sie hindurchtritt. Dazu steuern sie den Stromfluss durch die Transistoren, was zu Änderungen im elektrischen Feld führt. Durch die Beleuchtung des Farbfilters in unterschiedlichen Anteilen wird jeder Pixel mit einer anderen Farbe erzeugt.

Im Gegensatz dazu benötigen OLED-Displays dank ihrer Selbstleuchtfähigkeit keine Hintergrundbeleuchtung. Der grundlegende Aufbau von OLEDs besteht aus einer organischen Leuchtschicht auf Indiumzinnoxidglas (Indium Tin Oxide, ITO). Diese organische Leuchtschicht ist zwischen zwei Metallelektroden mit niedriger Austrittsarbeit eingebettet: der oberen Kathode und der unteren Anode.

Wenn eine externe Spannung an die Kathode und Anode angelegt wird, injizieren die Elektronentransportschicht (Electron Transport Layer, ETL) und die Lochtransportschicht (Hole Transport Layer, HTL) Elektronen und Löcher mit kontrolliertem Volumen und kontrollierter Geschwindigkeit in die organische Leuchtschicht. Dieser Prozess führt dazu, dass die OLEDs Licht emittieren. Durch die Verwendung unterschiedlicher chemischer Materialien in den OLEDs kann rotes, grünes und blaues Licht erzeugt werden. Folglich sind OLED-Displays dünner, energieeffizienter und bieten eine hervorragende Farbwiedergabe sowie ausgezeichneten Kontrast.

Micro-LED-Displays sind eine neue Entwicklung, bei der Arrays aus mikroskopisch kleinen LEDs als einzelne Pixel zum Einsatz kommen. Typischerweise liegt die Chipgröße von Micro-LEDs bei maximal 50 µm, sodass sie für das menschliche Auge kaum sichtbar sind. Aufgrund ihrer Winzigkeit und fortschrittlichen Montagetechnologie können die Lichtquellen für rotes, grünes und blaues Licht in einem einzigen Pixelpunkt integriert werden. Dies macht Farbfilter und Flüssigkristalle in Micro-LED-Displays überflüssig.

Jede Micro-LED im Pixel strahlt ihr eigenes Licht aus, was zu großer Helligkeit, tiefen Schwarztönen und hervorragender Energieeffizienz führt. Diese Technologien stellen bedeutende Fortschritte in der Displayinnovation dar und bieten jeweils einzigartige Vorteile in Bezug auf Struktur und Leistung. Micro-LED-Displays eignen sich für Anwendungen, die von Smartphones und Fernsehern bis hin zu Augmented Reality, Wearables und Automobildisplays reichen.

Da TFT-LCDs eine relativ ausgereifte Technologie mit herausragenden Kostenvorteilen darstellen, sind LCDs derzeit die dominierende Flachbildschirmtechnologie in der Automobilindustrie. Allerdings gewinnen OLED-Displays und Micro-LED-Displays zunehmend die Aufmerksamkeit der Automobilhersteller.

OLED-Displays punkten mit hervorragenden Anzeigeeffekten, einem geringen Energieverbrauch sowie hoher Flexibilität und sind zudem extrem dünn. Micro-LED-Displays entwickeln sich zur Displaytechnologie der nächsten Generation und ermöglichen gebogene Displaydesigns mit verbesserter Helligkeit und größerem Kontrast. Dies erhöht die Flexibilität bei der Gestaltung von Bildschirmen im Fahrzeuginnenraum.

Allerdings leiden OLED-Displays unter Bildkonservierung, die nach längerer Anzeige statischer Bilder zu einer Verschlechterung der Pixelqualität führt, und ihre Lebensdauer ist kürzer als die von LCDs. Micro-LED-Displays sind aufgrund der Herausforderungen bei der Kommerzialisierung der Massenproduktion teuer.

Die bestehenden TFT-LCD-Displays können mit einer Mini-LED-Hintergrundbeleuchtung (Submillimeter-Leuchtdiode) und lokaler Dimmtechnologie aufgerüstet werden. Mini-LEDs sind verkleinerte herkömmliche LEDs und dienen als Brücke zu Micro-LEDs. LEDs mit Abmessungen von weniger als 200 µm werden als Mini-LEDs kategorisiert, während LEDs unter 100 µm, als Micro-LEDs eingestuft werden. Obwohl Mini-LEDs in erster Linie als Hintergrundbeleuchtungsquelle in LCD-Displays dienen können, verbessern sie die Dicke und Kontrastleistung von LCD-Displays und sind gleichzeitig kostengünstig.

Pixeltreiber

Verschiedene Farben werden durch Mischen der drei Grundfarben (Rot, Grün und Blau) synthetisiert. Die Mischung dieser drei Grundfarben bildet einen Pixel, Jeder Pixel besteht aus drei Subpixeln, die in einem Pixel verwaltet und kombiniert werden. TFT-LCD-, Micro-LED- und OLED-Displays verwenden aufgrund ihrer unterschiedlichen Displaytechnologien und Herstellungsverfahren unterschiedliche Methoden zur Ansteuerung dieser Subpixel. Das Tesla Model 3 verfügt beispielsweise über ein 15,4-Zoll-TFT-LCD-Display mit einer Auflösung von 1920 x 1200 Pixeln, was insgesamt 6,91 Millionen Subpixel ergibt.

Ein Herkömmlicher Pixeltreiber besteht aus 1T2C (ein Transistor, ein Flüssigkristallkondensator und ein Speicherkondensator). Der Gate-Treiber liefert eine positive Spannung, die als Gate-High-Spannung (Voltage Gate High, VGH) bezeichnet wird, um den TFT einzuschalten, und eine negative Spannung, die sogenannte Gate-Low-Spannung (Voltage Gate Low, VGL), um den TFT auszuschalten. Die Bildinformationen werden an den Quelltreiber übertragen, der den Flüssigkristallkondensator (CLC) auflädt. Der Speicherkondensator (CST) dient als Puffer, um Leckströme aus dem CLC zu verhindern.

Bildschatten oder Flimmern in TFT-LCDs werden durch parasitäre Kapazitäten (CGD) verursacht, die zwischen dem Gate-Knoten und dem Drain-Knoten des TFT bestehen. Wenn sich der Bildinhalt ändert und der TFT aus dem eingeschalteten Zustand ausgeschaltet wird, kommt es zu einem Spannungsabfall am CLC, der durch einen kapazitiven Spannungsteiler zwischen CGD und CLC||CST verursacht wird. Um die Konsistenz der Panelleistung zu verbessern, wird die gemeinsame Backplane-Spannung (Common Backplane Voltage, VCOM) eingeführt und während der Pixelübergangszeit auf die Mitte der Pixelspannung abgestimmt.

Die Topologie gängiger Pixeltreiber wie 2TC1 oder 7T1C in Micro-LED- und OLED-Displays ist ähnlich, jedoch aufgrund des Herstellungsprozesses und der Integration von TFT-Schaltungen mit LEDs auf einem Glas- oder Polyimidsubstrat komplexer als in TFT-LCD-Displays. Folglich werden die LEDs in jedem Pixel einzeln mit ihrer eigenen Helligkeit angesteuert.

Wie in Abbildung dargestellt, wird im Artikel „Driving Technologies for OLED Display“ ein einfacher Pixeltreiber namens 2T1C (zwei Transistoren und ein Speicherkondensator) beschrieben.5 In diesem Pixeltreiber wird das analoge Signal der LED-Emission an TFT M1 gesendet. Die Schwellenspannung (VGS) wird daraufhin in CST gespeichert und zum Ansteuern des TFT M2 im Sättigungsbereich verwendet, wie Abbildung zeigt. Der ansteuernde TFT M2 hält die LEDs mit der positiven Spannung (VDD) und der Kathodenspannung (VSS) auf einem konstanten Strom. Die Ansteuerungsmethode im Sättigungsbetrieb dieses 2T1C-Pixeltreibers hat den Vorteil, dass die Lebensdauer der LED im Vergleich zum linearen Betriebsbereich des ansteuernden TFT verlängert wird.

Der 2T1C-Pixeltreiber hat jedoch auch Nachteile, darunter das Mura-Problem und die Schwellenspannungsverschiebung unter elektrischer Vorspannung. Unter dem Mura-Problem versteht man die ungleichmäßige Helligkeit eines Displays, die hauptsächlich durch Schwankungen im Herstellungsprozess verursacht wird, wie zum Beispiel hinsichtlich der Dichte der TFT-Schicht, der Gleichmäßigkeit der LED-Durchlassspannung und der Schwellenspannung. Diese Effekte verursachen Probleme mit der Bildqualität. Obwohl selbst der beste Herstellungsprozess die Schwellenspannungsverschiebung nicht überwinden kann, wurden Pixelschaltungen mit Spannungsrückkopplungsmethoden und Methoden zur Überkompensation der Schwellenspannungsverschiebung vorgeschlagen, um die Bildqualität zu verbessern.

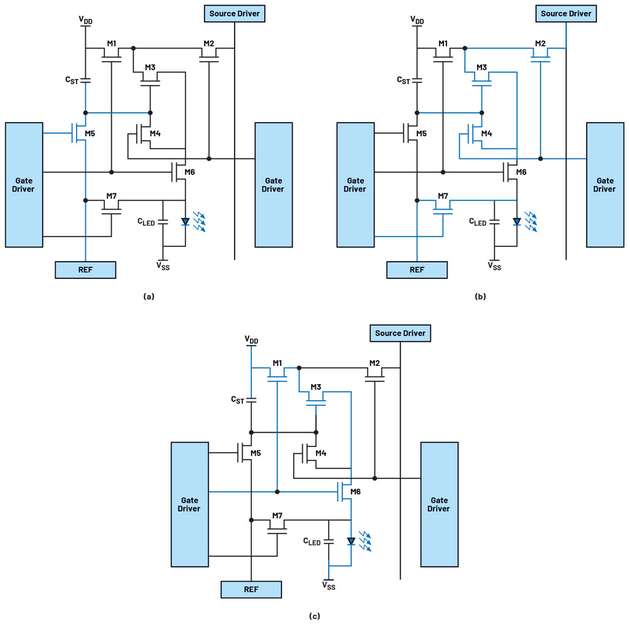
Die in dem Artikel „Image Quality Enhancement in Variable-Refresh-Rate AMOLED Displays Using a Variable Initial Voltage Compensation Scheme“ vorgeschlagene 7T1C-Ansteuerungsmethode ist in Abbildung dargestellt. Diese 7T1C-Pixelschaltung hat drei Betriebsstufen, die man in Abbildung sieht: Initialisierung, Kompensation und Emission. Der TFT M4 wird für die Diodenverbindung des Ansteuerungs-TFT M3 verwendet. Während der Kompensation hält die im CST gespeicherte Spannung vom Quelltreiber die LED-Emission aufrecht. Die TFTs M1, M6 und M7 werden verwendet, um zu verhindern, dass die LED eingeschaltet wird. Zusätzlich wurde in dem Artikel „A Highly Uniform Luminance and Low-Flicker Pixel Circuit and Its Driving Methods for Variable Frame Rate AMOLED Displays“ eine 7T2C-Pixelschaltung vorgestellt.

Bisher wurde die Display-Backplane-Technologie von hydriertem amorphem Silizium-TFT (a-Si:H) zu Niedertemperatur-polykristallinem Silizium-TFT (Low-Temperature Polycrystalline Silicon, LTPS) weiterentwickelt. LTPS-und-Oxid-TFT (LTPO) bildet die nächste Generation der Backplane-Technologie für Unterhaltungselektronik. Der a-Si:H-TFT hat eine geringe Ladungsträgerbeweglichkeit (1 cm2/Vs), was zu einer großen Rückwandplatine und damit zu einem höheren Stromverbrauch führt. Der LTPS-TFT verfügt über eine hervorragende Ladungsträgerbeweglichkeit (>50 cm2/Vs), sodass er in OLED-Displays eingesetzt wird. Der LTPS-TFT hat in der Regel einen hohen Ruhestrom, der bei dem LTPO-TFT hingegen niedrig ist. Deshalb wird die Verwendung eines Hybrid-Pixel-Schemas, das LTPS- und LTPO-TFTs kombiniert, für OLED-/Micro-LED-Display-Backplanes in Betracht gezogen.

Fazit

Displays in Fahrzeugen spielen eine immer wichtigere Rolle für das Fahrerlebnis, da die Kundinnen und Kunden immer höhere Erwartungen an die Sichtbarkeit, Sicherheit, Nutzungsfreundlichkeit usw. stellen. Automobildisplays stehen vor großen Herausforderungen, wenn es darum geht, eine hervorragende Bildqualität mit hoher Auflösung und gutem Kontrastverhältnis, freier Formgebung, großen Abmessungen und kostengünstigen Lösungen zu bieten.

In diesem Artikel werden die Eigenschaften von TFT-LCD-, OLED- und Micro-LED-Displays erläutert. Um eine bessere Displayleistung zu erzielen, ist der Pixeltreiber von OLED- und Micro-LED-Displays komplexer als der von TFT-LCD-Displays. Daher sind OLED- und Micro-LED-Displays aufgrund der Herausforderungen bei der Kommerzialisierung der Massenproduktion teuer. Mini-LED-LCD-Displays mit Local-Dimming-Technologie dienen als Brücke zu Micro-LED- und OLED-Displays.

Bildergalerie

  • Schematischer Aufbau eines TFT-LCD-Displays

    Schematischer Aufbau eines TFT-LCD-Displays

    Bild: Analog Devices

  • Schematischer Aufbau eines OLED-Displays

    Schematischer Aufbau eines OLED-Displays

    Bild: Analog Devices

  • Schematischer Aufbau eines Micro-LED-Displays

    Schematischer Aufbau eines Micro-LED-Displays

    Bild: Analog Devices

  • Prinzipieller Aufbau eines herkömmlichen Pixeltreibers

    Prinzipieller Aufbau eines herkömmlichen Pixeltreibers

    Bild: Analog Devices

  • Trends bei Kabinendisplays

    Trends bei Kabinendisplays

    Bild: Analog Devices

  • Pixel-Aufbau

    Pixel-Aufbau

    Bild: Analog Devices

  • Grundlegender Aufbau eines 2T1C-Pixeltreibers für OLED oder Micro-LED

    Grundlegender Aufbau eines 2T1C-Pixeltreibers für OLED oder Micro-LED

    Bild: Analog Devices

  • Ausgangseigenschaften eines MOS-Transistors

    Ausgangseigenschaften eines MOS-Transistors

    Bild: Analog Devices

  • Schematische Darstellung eines 7T1C-Pixeltreibers

    Schematische Darstellung eines 7T1C-Pixeltreibers

    Bild: Analog Devices

  • Ansteuerungssequenz von 7T1C-Kompensationspixeln: (a) Initialisierung, (b) Kompensation und (c) Emission

    Ansteuerungssequenz von 7T1C-Kompensationspixeln: (a) Initialisierung, (b) Kompensation und (c) Emission

    Bild: Analog Devices

Firmen zu diesem Artikel
Verwandte Artikel