Batterielaufzeiten für Wearables

Volle Pulle für die Smartwatch

Damit der Smartwatch die Puste nicht so schnell ausgeht, braucht es die richtige Batterietechnik.

Bild: Mouser Electronics
17.03.2017

Die Batterielaufzeit ist bei vielen Wearables weiterhin zu kurz. Um sie zu verlängern, gibt es verschiedene Möglichkeiten: Ein Überblick über die gängigsten Techniken.

Beim Design von Wearables müssen eine Reihe von Voraussetzungen beachtet werden. Vor allem sollen die Geräte klein und leicht sein. Diese Vorgabe hat erhebliche Auswirkungen auf die Größe der Batterie, deren Kapazität und damit auch auf die Laufzeit des Gerätes. Vor wenigen Jahren konnten sensorische Fitnessbänder noch über einfache Lithium-Ionen-Knopfzellen ausdauernd mit Strom versorgt werden. Das hat sich bei aktuellen Wearables stark verändert. Smartwatches, viele davon mit OLED-Farbdisplays, sind zum Beispiel wahre Stromfresser und verfügen nur über eine Batterielaufzeit von wenigen Tagen. Dass viele Wearables regelmäßig aufgeladen werden müssen, empfinden die meisten Verbraucher als lästig. Lange Batterielaufzeiten sind zu einem wichtigen Entscheidungskriterium für Konsumenten geworden. Deshalb müssen sich die Hersteller neue Lösungen einfallen lassen, um die Akkulaufzeiten zu verlängern. Verschiedene Verfahren wie Powermanagement, kabelloses Laden, Energy Harvesting oder Batteriemanagement wurden dafür entwickelt.

Unter Energy Harvesting versteht man die Gewinnung kleiner Energiemengen aus der Umgebung, zum Beispiel dem Licht. Zwar können aus einer Lichtquelle ein paar Milliwatt Leistung gezogen werden, aber das reicht etwa für eine Smartwatch beileibe nicht aus. Mit verschiedenen Bauteilen lässt sich allerdings die Leistung verbessern. Das Harvester-Strommanagement-IC BQ25570 von Texas Instruments verwendet beispielsweise einen kombinierten Auf- und Abwärtswandler, um gewonnene Spannungen ab 120 mV in bis zu 5 V umzuwandeln. Diese Spannung genügt, um eine Batterie aufzuladen. Zwar lässt sich keine Smartwatch komplett damit betreiben, aber immerhin verlängert sich deren Batterielaufzeit. Das BQ25570 enthält auch einen Nano-Power-
Abwärtswandler, der als zweite Energiequelle dienen kann.

Aufladen per USB oder Netzteil

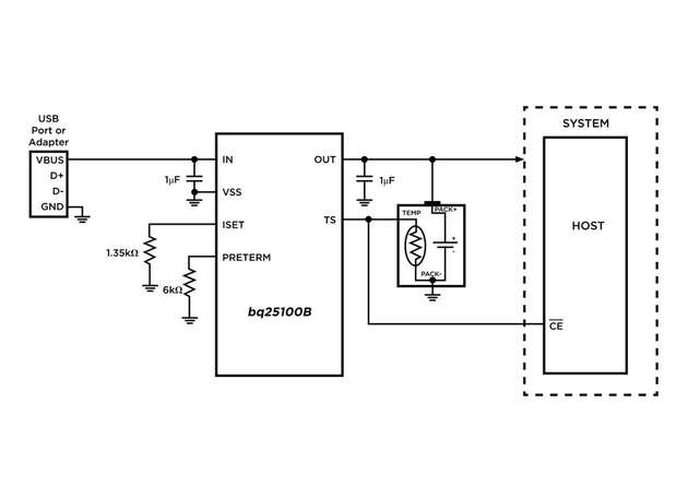
Auch bei der Nutzung konventioneller Auflademethoden, beispielsweise über USB-Ports oder Netzteile, gibt es Verbesserungen. Der relativ neue Batterielade-IC BQ25100 von Texas Instruments ist zum Beispiel mit 1,6 mal 0,9 mm nur halb so groß, wie bisherige Bauteile. Außerdem können damit auch günstige, ungeregelte Steckdosenadapter genutzt werden. Mit einer Eingangsspannung von 28 VDC und einem Überspannungsschutz ab 6,5 VDC eignet sich diese hochintegrierte, lineare Ladeschaltung sowohl für Lithium-Ionen- als auch für Lithium-Polymer-Akkus.

Ein weiteres Beispiel für modernes Batterie-Lademanagement ist der XC6803A4 von Torex. Er wurde für Wear-
ables wie Fitnesstracker, GPS-Uhren und Smartwatches entwickelt und kann für Konstantspannungs- und Konstantstromladungen konfiguriert werden.

Qi-konformes drahtloses Laden

Seit einigen Jahren erfreut sich kabelloses Laden bei Nutzern von Wear-
ables großer Beliebtheit. Immer mehr Schreibtischlampen und andere Haus- beziehungsweise Bürogeräte wurden deshalb mit einer kabellosen Ladefunktion ausgestattet. Einige Kaffeehausketten bieten sogar kabellose Ladestationen in ihren Tischen an. Für den Verbraucher ist dieser Ansatz wesentlich bequemer als Ladegeräte mit Kabeln, die viel Platz beanspruchen.

Viele der großen Halbleiterhersteller bieten Controller für kabelloses Laden an. Für einige von ihnen gibt es komplette Referenzdesigns. Texas Instruments hat zum Beispiel zur Unterstützung des Designprozesses die vollständigen Testergebnisse und Designdateien eines Referenzdesigns namens TIDA-00318 veröffentlicht. Es beruht auf dem linearen Einzellen-Ladechip BQ25100 sowie dem Qi-konformen Drahtlosempfänger BQ51003. Bei Qi handelt es sich um den internationalen Standard für die Interoperabilität drahtloser Geräte. Jeder Qi-zertifizierte Empfänger drahtloser Energie ist mit einer Qi-zertifizierten Ladestation kompatibel. TIDA-00318 ist für Applikationen mit einem Ladestrom von 135 mA ausgelegt. Die mitgelieferten Gerberdateien stellen einen sehr kleinen Footprint von 5 mm mal 15 mm zur Verfügung.

Energiemanagement

Für die Batterielaufzeit von Wearables spielt die Wandlung sehr kleiner Leistungen eine wichtige Rolle. Es gibt verschiedene Methoden, das zu erreichen. Verwendet werden können dafür zum Beispiel Low-Dropout-Regler (LDO), etwa der Baureihe TPS727xx von Texas Instruments. Sie verfügen über einen sehr niedrigen Ruhestrom von 7,9 µA, geringe Abfallspannungen von 65 mV bei 100 mA, 130 mV bei 200 mA und 163 mV bei 250 mA und ein sehr gutes Leitungs- und Lasteinschwingverhalten. Für den störungsarmen Betrieb in HF-Applikationen sorgt ihre hohe Störspannungsunterdrückung von 70 dB bei 1 kHz. Außerdem bleiben sie auch mit kleinen, günstigen 1,0-µF-Keramikkondensatoren stabil.

Alternativ kann ein Abwärtswandler eingesetzt werden, beispielsweise der TPS82740A von Texas Instruments. Dieser Abwärtswandler mit 200 mA bietet einen Wandlungswirkungsgrad von 95 Prozent und verbraucht im Betrieb nur einen Ruhestrom von 360 nA, beziehungsweise 70 nA
im Standby. Das sehr kleine Modul ist in einem vollintegrierten 9-Bump-MicroSiP untergebracht, das einen Sperrwandler, eine Induktivität sowie Ein- und Ausgangskondensatoren enthält. Seine Größe beträgt 6,7 mm2

Die Methode mit einem Aufwärtswandler ist tendenziell ineffizienter als die Abwärtswandlung. In vielen Situationen wird das Design jedoch von der Batteriespannung eingeschränkt. Um der Spannungsanforderung eines Geräts nachkommen zu können – Displays benötigen normalerweise etwa eine hohe Spannung – ist meistens der Einsatz eines Aufwärtswandlers erforderlich. Ein Beispiel für solch ein Bauteil ist der MAX8627 von Maxim. Mit seinem Stromausgang von 1 A erzeugt er mit einem Wirkungsgrad von 95 Prozent aus einer einzelligen Lithium-Ionen-
Batterie eine erhöhte Ausgangsspannung zwischen 3 und 5 V. Dabei verbraucht er lediglich 20 µA Ruhestrom.

Auf der anderen Seite der drahtlosen Energieübertragung, dem Sender beziehungsweise der Ladestation, bietet Texas Instruments das Referenzdesign TIDA-00334 an. Es ist nur als Bundle aus Testergebnissen und PCB-Designdateien erhältlich. Das Referenzdesign beruht auf dem IC BQ500212A und setzt diesen in einem ausreichend kleinen Formfaktor ein, damit er sich für Wearables eignet. Mit dem BQ500212AEVM-550 ist auch ein auf dieses Bauteil aufbauendes Evaluationsmodul mit einer Betriebsspannung von 5 V erhältlich. Es wird über Micro-USB an die Stromquelle angeschlossen. Dieses Low-Power-Design liefert einen Ausgangsstrom von bis zu 2,5 W beim Empfänger. Das Referenzdesign TIDA-00334 für den Drahtlossender besitzt nur einen Durchmesser von 30 mm, was in etwa der Größe einer Zwei-Euro-Münze entspricht.

Bluetooth und Mikrocontroller

Ein weiterer wichtiger Faktor für das Leistungsmanagement in Wearables ist die Wahl des Mikrocontrollers (MCU). Effiziente MCUs können Daten schnell verarbeiten und schalten anschließend in einen stromsparenden Ruhemodus. Seitdem 32-Bit-MCUs preislich gesehen mit den 16-Bit-MCUs mithalten können, haben die Designer von Wearables eine riesige Auswahl an leistungsstarken Low-Power-MCUs. Für Wearables eignen sich besonders die 32-Bit-Prozessorkerne Cortex-M von ARM. Vom extrem energieeffizienten Cortex-M0, bis hin zum leistungsstarken Cortex-M7, beinhaltet die Baureihe ein umfangreiches Angebot, das verschiedensten Anforderungen bei Wearables gerecht wird. Mikrocontroller, die auf Cortex-M aufbauen, sind von vielen verschiedenen Herstellern erhältlich, unter anderem Texas Instruments, STMicroelectronics, NXP Semiconductors, Microchip Technology, Infineon, Silicon Labs und Cypress Semiconductor.

Auch der Stromverbrauch der Sensoren wird häufig vernachlässigt. Neben der Signalkonditionierung benötigen viele Sensoren ein gewisses Maß an peripheren Treiberschaltungen. Designer müssen genau darauf achten, wie viel Strom diese Schaltungen verbrauchen. Selbst ein simpler Widerstandsleiter verbraucht schließlich Strom. Für die Signalkonditionierung kommen oft Operationsverstärker zum Einsatz. Mit einem Verbrauch von nur
580 nA pro Kanal ist das Modell OA4NP von STMicroelectronics eine hervorragende Wahl.

Ganzheitlichkeit ist Trumpf

Im Idealfall sollte jedes Bauteil eines Wearables seinen Beitrag zur Reduktion des Gesamtverbrauchs leisten. Entwickler müssen das Leistungsprofil jedes einzelnen Bauelements genau verstehen. Ein ganzheitlicher Ansatz trägt zu längeren Batterielaufzeiten bei,
indem er jedes verfügbare Mikroampere einspart.

Beliebt ist es zum Beispiel, stromfressende Funktionen, wie rechenintensive Anwendungen, auf einem mit dem Wearable per Bluetooth verbundenen Gerät auszuführen, zum Beispiel einem Smartphone oder einem PC. Für Entwickler von Embedded-Systemen mag der Vorstoß in die analoge, oft unberechenbare Welt des Funks abschreckend sein. Der Einbau von Bluetooth in Wearables wird jedoch durch verschiedene, für Funkvorschriften vorzertifizierte, Drahtlosmodule und Mikrocontroller wesentlich vereinfacht.

Bildergalerie

  • Eine typische Anwendung des kleinen Batterielade-IC BQ25100 von TI

    Eine typische Anwendung des kleinen Batterielade-IC BQ25100 von TI

    Bild: Mouser Electronics

  • Das Bluetooth-Modul BGM113 eignet sich für Nahbereich-Applikationen mit geringem Stromverbrauch.

    Das Bluetooth-Modul BGM113 eignet sich für Nahbereich-Applikationen mit geringem Stromverbrauch.

    Bild: Mouser Electronics

Firmen zu diesem Artikel
Verwandte Artikel