Power-over-Ethernet-2

Nie wieder Stromkabel mit Hilfe von PoE-2

Durch Pover-over-Ethernet-2 könnten Stromkabel der Vergangenheit angehören.

Bild: iStock, BravissimoS
11.05.2022

Der jüngste PoE-Standard (Power-over-Ethernet) der IEEE, auch bekannt als PoE-2 oder 802.3bt (und vorher als PoE++ bezeichnet) ist gerade drei Jahre alt, aber seine vielfältigen Anwendungsmöglichkeiten steigen stärker als je zuvor. Trotz einer Zunahme der Telearbeit von Zuhause aus wegen des Corona-Virus, stieg die Anzahl mit Strom versorgter Ethernet-Ports jedes Jahr kontinuierlich. Doch was steckt hinter PoE-2 und was bedeutet das für die Lösungen?

Die Arbeitgeber nutzten die verwaisten Schreibtische und aktualisierten ihre IT-Infrastruktur auf zukunftssichere Arbeitsplätze mit der Hoffnung, dass sie eventuell wieder voll besetzt werden. Ein intelligentes Büro zu schaffen bedeutet, den vorhandenen Raum mit mehreren IoT-Geräten auszustatten, wie Konferenzraumbeschilderung, Telefonkonferenzausrüstung und verschiedene Sensoren, die mit dem Internet verbunden sind. Die Vorteile eines intelligenten Büros sind Energieeinsparungen, vereinfachte Geschäftsabläufe und, vielleicht am wichtigsten, sicherere Arbeitsplätze für die Mitarbeiter.

COVID-19 hat nur die Notwendigkeit für gut geregelte Gebäudeheizungen, Belüftung und Klimaanlagen (HVAC-Systeme) und zahlreiche kontaktlose kommunale Dienstleistungen beschleunigt, was die Gebäude- und IT-Manager zur Zusammenarbeit und Anwendung von PoE-fähigen Systemen zwang. Laut des Marktforschungsunternehmens 650 Group, soll die Anzahl der weltweit ausgelieferten Switch/PoE-Ports im Jahr 2025 die 150-Millionen-Marke übersteigen.

Verdreifachung des bisherigen Standards

Als 2018 PoE-2 ratifiziert wurde, lieferte der Standard 71,3 W für das PD (powered device), und verdreifachte damit nahezu die Leistung vorheriger Standards von 25,5 W. PoE-2 erlaubt es Leistung über dieselbe Leitung mit Gigabit-Ethernet zu senden und legt damit die Grundlage für viele gestrige, heutige und zukünftige leistungs- und datenhungrige Applikationen, wie die Ferntemperaturüberwachungssysteme und Wärmebildkameras, die eingesetzt werden, um Personal auf COVID-19 zu überprüfen, bevor sie die Arbeitsstätte betreten.

In früheren PoE-Generationen war ein einziger Leistungskanal ausreichend, um jeden PoE-Port mit Strom zu versorgen. Beim schnellen Übergang auf 802.3bt, bei dem nun zwei Versorgungskanäle für mittlere und hohe Leistungspegel erforderlich sind, muss auch eine höhere Leistungsdichte beachtet werden. Der globale Ethernet-Markt hat eine ständig steigende Durchdringung mit PoE-fähigen Ports durchlaufen. Alle diese Faktoren haben zur Notwendigkeit für IT-Abteilungen geführt, eine riesige Anzahl an Systemen mit hoher Leistungsdichte und vielen Ports einzusetzen, die alle eine hohe Verfügbarkeit (99,999 Prozent) und hohe Zuverlässigkeit haben müssen. Ein komplett skalierbares PoE-Subsystem für die Anwendung von PoE-fähigen Switches mit vielen Ports ist seit langem überfällig.

Plattform für PSE-Entwicklung

Moderne Switches sind sehr komplexe Systeme die im Allgemeinen rauen Umgebungsbedingungen ausgesetzt sind, wie Überspannungen und Entladungen auf den Kabeln, und müssen dabei eine hohe Systemverfügbarkeit und Zuverlässigkeit aufweisen. Bisherige Arten der PSE-Architektur (power sourcing equipment) zeigten eine Entwicklung von PSE-Subsystemen auf Komponentenebene, die sich auf inkrementelle Verbesserungen fokussierte und nicht notwendigerweise die Systemleistung insgesamt optimierte. Betrachtet man PSE-Subsysteme auf höherer Ebene zwingt das die Entwicklungsteams bei ADI diese Art der PSE-Entwicklung zu überdenken und Lösungen auf Systemebene zu liefern. Die Bausteine LTC9101/LTC9102/LTC9103 und künftige Versionen nehmen diesen Ansatz auf Systemebene und kombinieren ihn mit digitalen und analogen Komponenten, um die PSE-Herausforderungen ganzheitlich zu lösen.

Die Bausteine sind Teil eines eigen-isolierten PSE-Controller-Chipsatzes, der durchgängig vom Substrat als komplettes PoE-2-System entwickelt wurde. Die neueste Eigenschaft dieses Chipsatzes ist die integrierte galvanische Trennung. Sie wird aufgrund der Chipsatz-Architektur erreicht, bei der der LTC9101 ein isoliertes digitales Interface zum PSE-Host liefert, während mehrere LTC9102 und/oder LTC9103 die analoge Hochspannungsschnittstelle bilden. Die 802.3-Ethenet-Spezifikationen fordern, dass Netzwerksegmente, wie die PoE-Schaltung, galvanisch von der Chassis-Masse und dem PHY getrennt sind. Durch das Platzieren des LTC9101 auf der nicht isolierten Seite und der LTC9102 oder LTC9103 auf der isolierten Seite können bis zu sechs teure Optokopplern und eine galvanisch getrennte Versorgung mit einem einzigen preisgünstigeren und zuverlässigeren 10/100-Ethernet-Transformator ersetzt werden. Diese Topologie resultiert nicht nur in Kosteneinsparungen, sondern auch in einem robusteren und einfacher herstellbaren PSE-Design.

Diese skalierbare Lösung erlaubt die flexible Implementierung von großen PSE-Systemen mit vier bis 48 Ports, abhängig davon, wieviel Leistung pro Port nötig ist. Jedes Design benötigt mindestens einen Digitalcontroller LTC9101 und einen oder mehrere Analogcontroller LTC9102/9103. Der LTC9102 hat zwölf Leistungskanäle, von denen jeder zwei bis vier Ethernet-Leitungspaare versorgt, um damit Konfigurationen von zwölf 30-W-Ports (ein Leistungskanal pro Port) bis zu sechs 90-W-Ports (zwei Leistungskanäle pro Port) zu versorgen. Der LTC9103 besitzt acht Leistungskanäle, die man nutzen kann, um Konfigurationen von acht 30-W-Ports bis zu vier 90-W-Ports zu versorgen. Ein einziger LTC9101 kann bis zu vier LTC9102 und/ oder LTC9103 managen, die beliebig gemischt sein können. Beispielsweise können ein LTC9101, ein LTC9102 und zwei LTC9103 genutzt werden, um ein 24-Port-PSE mit vier 90-W-Ports und zwanzig 30-W-Ports zu realisieren.

IT- und auch Anlagenmanager werden die digitalen Funktionen der sechsten Generation des LTC9101 zu schätzen wissen, wie internes eFlash zur Speicherung von Firmware-Aktualisierungen und kundenspezifischen Konfigurationen, die Rückwärtskompatibilität zu den 4-Port-PoE-2-PSE-Treibern LTC4291 und einer I2C-Schnittstelle. Die im Einsatz aktualisierbaren Firmware-Images des LTC9101 sind in einer dedizierten Flash-Partition gespeichert, in der ein vollständig IEEE-802.3bt-kompatibles Firmware-Image vorkonfiguriert ist. Für den maximalen Schutz der Daten werden stets zwei vollständige Kopien des Firmware-Images mit separaten ECC- und CRC-Schutzmechanismen beibehalten. Nach dem erfolgreichen Booten des Chipsatzes können Nutzer über das I2C-Interface den LTC9101 konfigurieren und mit ihm kommunizieren. Dabei kann jeder Port unabhängig für eine bis vier PSE-Betriebsarten konfiguriert werden (auto, semi-auto, manuell oder abgeschaltet) Die Ergebnisse der Telemetriemessungen von Port-Strom, PoE-Versorgungsspannung und Port-Leistung können genutzt werden, um die Systemleistung zu managen.

Während der LTC9101 das Gehirn des Chipsatzes ist sind die LTC9102/LTC9103 die Muskeln, die auf vielfache Art und Weise einen hohen Wirkungsgrad und eine hohe Robustheit für den Leistungspfad bieten. Jeder LTC9102/LTC9103-Leistungskanal ist mit spezieller Erkennungs- und Klassifizierungs-Hardware ausgestattet. Dies ermöglicht es allen Ports simultan zu erkennen, zu klassifizieren und zu versorgen, was die Einschalt-Latenz des Switches drastisch reduziert. Andere weniger fortschrittlichere PSEs zeigen deutlich erkennbare Verzögerungen, da PDs: zum Beispiel LED auf einer seriellen Port-zu-Port-Basis einschalten. Die LTC9102/LTC9103 steuern jeden Leistungskanal über einen externen MOSFET, was es den Anwendern erlaubt, Komponenten mit einem geringen RDS(ON) zu wählen, wodurch die Verlustleistung reduziert wird und Kanalfehler entkoppelt werden. Der Einsatz eines 0,1-Ω-Fühlwiderstands hilft, die Verlustleistung weiter zu verringern.

Während einer Überspannung oder wenn ein Port kurzgeschlossen ist, schalten die LTC9102/LTC9103 schnell in ~1 µs ab, um den PSE-MOSFET und die nachfolgende Schaltung zu schützen. Zusätzlich verkraften alle Port-Pins Spannungstransienten bis zu + 80 V oder bis zu – 20 V ohne Schaden zu nehmen. Die vielleicht eindrucksvollste Fähigkeit des Chipsatz ist es, mit minimalen externen Komponenten über einen Bereich von ± 6,5 kV Überspannung zu arbeiten. Dies wurde nach der Überspannungs-Immunitäts-Spezifikation nach IEC 61000-4.5 getestet (das Demo-Board DC3160 beweist diese Eigenschaft). Nach jedem Fehler schalten die LTC9102/LTC9103 den MOSFET in einer schnellen und strombegrenzten Weise wieder ein und minimieren damit Ausfallzeiten des PD, was entscheidend für eine maximale Netzverfügbarkeit ist.

Technische Details von PoE-2

PoE-2 definiert zwei unterschiedliche Konfigurationen der PD-Signatur: PDs mit Einfach- und Zweifachsignatur. Ein PD mit Einfachsignatur ist ein PoE-2-PD, der dieselbe Erkennungs- und Klassifizierungssignatur zwischen beiden Leitungspaaren nutzt. Ein PD mit Zweifachsignatur ist ein PoE-2-PD, mit einer unabhängigen Signatur für jedes Leitungspaar, was es erlaubt, jedem Leitungspaar völlig unabhängig die Klassifizierung und Leistung zuzuordnen. Zweifachsignatur-PDs sind komplexe Lösungen, die doppelt so viel wie Einfachsignatur-PDs kosten. Es ist Wert anzumerken, dass 802.3bt-Zweifachsignatur-PDs nicht den UPoE-Bausteinen der vorherigen Standards entsprechen, obwohl sie eine gemeinsame Architektur nutzen. Die LTC9101/LTC9102/LTC9103 unterstützen einen robusten PoE-2-PD-Detektionsprozess, der die neue Subroutine zur Verbindungsprüfung unterstützt, um zu bestimmen, welche PD-Signaturkonfiguration an den PSE angelegt ist.

Zusätzlich zur Ausführung der Verbindungsüberprüfung, verifizieren die Bausteine auch, ob das angebundene PD ein legales IEEE-kompatibles PD ist. Während IEEE PSEs erfordert, um gültige PD-Signaturen (25 kΩ), entweder mit einer Zweipunkt-Spannung oder einer Zweipunkt-Stromerkennungsschaltung zu erkennen, implementieren die LTC9101/LTC9102/LTC9103 durch Nutzen beider Detektionsschemata ein robusteres Schema. Dieses Mehrpunkt-Detektionsschema (mehrere Spannungen und mehrere Ströme) wird verwendet, um Falscherkennungen zu eliminieren und die Zerstörung von Netzwerkgeräten zu verhindern, die nicht dafür ausgelegt sind, PoE-DC-Spannungen zu vertragen.

PoE-2 versorgt zwei Leitungspaare (vier Drähte) mit bis zu 25,5 W Leistung und vier Leitungspaare (acht Drähte) mit bis zu 71,3 W. Es werden nicht nur höhere Leistungspegel ermöglicht, sondern der Einsatz von mehr Leitungen bietet einen besseren Wirkungsgrad für die älteren, niedrigeren Leistungspegel, denn, bei Versorgung aller Leitungen wird der Leistungsverlust in den Kabeln halbiert. Nimmt man zum Beispiel ein PoE-1-(PoE+)-PSE, das 30 W liefert, um sicherzustellen, dass ein PoE-1-PD 25,5 W erhält, da 4,5 W über 100 m CAT5e-Kabel verloren gehen. Wenn vier Paare denselben 25,5-W-PD über PoE-2 versorgen, reduziert sich die Verlustleistung auf weniger als 2,25 W, was den Wirkungsgrad von 85 auf 92 Prozent steigert. Wenn man die Anzahl der PoE-PDs weltweit betrachtet, führt dies zu einer großen Energieeinsparung, und in vielen Fällen, zu 7,5 Prozent geringerem CO2-Ausstoß.

PoE-2 definiert vier neue PD-Klassen hoher Leistung, was die Gesamtanzahl an Einfachsignatur-Klassen auf bis zu neun erhöht. Die Klassen 5 bis 8 sind neu bei PoE-2 und führen zu PD-Leistungspegeln von 40 W bis 71,3 W. PSEs haben auch weiterhin die Wahl die physikalische Schicht (PHY) (5-Event-Klassifizierung für 71,3 W) oder die Datenverbindungschicht (LLPD = link layer discovery protocol) zu nutzen, um PDs zu klassifizieren, wobei PDs immer noch beide Klassifizierungsarten unterstützen müssen, um kompatibel zu sein. Man erinnere sich, da Leistungspaare in einem Zweifachsignatur-PD unabhängig voneinander arbeiten, kann jedes davon auch eine unterschiedliche Klasse haben. Eine Klasse-1 (3,83 W) auf dem ersten Leitungspaar und Klasse 2 (6,94 W) auf dem zweiten Leitungspaar würde für einen Zweifachsignatur-PD mit Klasse 1 und Klasse 2 (10,3 W) ergeben.

PoE-2-PDs können auch eine externe Erweiterung der Klassifikation der physikalischen Schicht, auch als Autoklasse (autoclass) bezeichnet, implementieren, bei der ein PoE-2-PSE wie die LTC9101/LTC9102/LTC9103-Chipsätze, die aktuell von einem verbundenen PD gezogene Leistung messen. Auf diese Weise erlaubt diese nützliche Power-Management-Funktion die Zuteilung von „übriggebliebener“ Leistung auf andere Lichtquellen, wenn sie eine spezielle Lichtquelle messen. Dies gilt bei Einstellungen auf geringere Helligkeit oder ein kürzeres Kabel, wenn diese weniger als ihre eigentliche Klassenleistung ziehen. Natürlich ist klar, dass PoE-2 rückwärtskompatibel zu den älteren 25,5-W- und 13-W-PoE-Standards ist.

Ein PoE-1-PD mit geringerer Leistung kann ohne jegliches Problem mit einem PoE-2-PSE verbunden werden. Und, wenn die Situation umgedreht wird und ein POE-2-PD höherer Leistung mit einem POE-1-PSE geringerer Leistung verbunden ist, kann das PD in einem ausgehandelten Low-Power-Zustand betrieben werden – was als Herabstufung bezeichnet wird. Ignoriert ein PD die Herabstufung und arbeitet weiter in seinem höchsten Leistungszustand, verursacht das leistungshungrige PD, dass das PSE wiederholt einschaltet, seinen Überstrom erreicht, dann abschaltet – und das PSE tatsächlich intermittierend arbeiten (motor boating) lässt. Aus diesem Grund ist die Herabstufung sowohl bei PoE-1- als auch PoE-2-PDs nötig, was aber unglücklicherweise in manchen Implementierungen nicht beachtet wird.

Effizientes Power Device

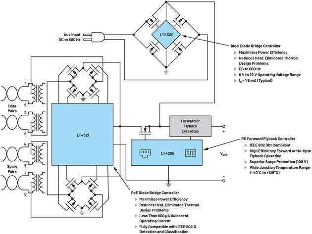
ADI bietet eine große Anzahl von ICs an, einschließlich der von Maxim Integrated (nun ein Geschäftsbereich von ADI), um die Leistungsfähigkeit von PoE-2-PDs zu maximieren. So hat eine Einfachsignatur-PoE-2-PD-Schnittstelle mit einem Hilfseingang einen Gesamtwirkungsgrad (vom RJ-45Eingang bis zur PD-Last) von über 94 Prozent und arbeitet im Temperaturbereich zwischen - 40 °C und 125 °C.

Der LT4321 ist ein aktiver Dioden-Brücken-Controller, der die erforderlichen Dioden-Brücken-Gleichrichter ersetzt. Der LT4321 verwendet N-Kanal-MOSFET-Brücken mit geringen Verlusten, um gleichzeitig die verfügbare Leistung des PDs zu steigern und die Wärmeabführung zu reduzieren. PoE-2 benötigt PDs, um DC-Versorgungsspannungen beliebiger Polarität an ihren Ethernet-Eingängen zu akzeptieren, weshalb der LT4321 die Leistung von beiden Datenleitungspaaren sanft gleichrichtet und in einen einzigen Versorgungsausgang korrekter Polarität kombiniert. Die Schaltungsausmaße und Kosten werden insgesamt reduziert, da der gesteigerte Wirkungsgrad die Notwendigkeit für Kühlkörper praktisch eliminiert und Leistungseinsparungen von mehr als dem zehnfachen erzielt werden. Dies erlaubt es den PDs innerhalb den Leistungsbudgets der Klassifizierung zu bleiben oder zusätzliche Funktionen auszuüben.

Der ideale Dioden-Brücken-Controller ist das Gehirn der PD-Schnittstelle – der LT4295 ist ein PoE-2-PD-Interface-Controller, der entweder einen Vorwärts Controller oder Flyback-Controller ohne Optokoppler mit hohem Wirkungsgrad enthält. Der LT4295 unterstützt mit einem integrierten 25-kΩ-Signaturwiderstand alle neun IEEE-PD-Klassen, bis zur 5-Ereignis-Klassifizierung und eine Einfachsignatur-Topologie. Neben der Lieferung höherer PD-Leistung, was dem LT4295 einen Vorteil gegenüber traditionellen PD-Controllern gibt, ist seine Nutzung eines externen Leistungs-MOSFETs, um die Wärmeabfuhr des PD drastisch zu senken und den Wirkungsgrad zu optimieren, vorteilhaft, was gerade, um es noch einmal zu betonen, bei den höheren Leistungspegeln von PoE-2 besonders wichtig ist.

Für die PoE-2-Entwicklungen, die eine Hilfsversorgung unterstützen müssen, in denen das PD optional von einem Netzteil versorgt werden kann, ist der LT4320 ein geeigneter aktiver Dioden-Brücken-Controller. Er ersetzt die vier Dioden in einem Vollwellengleichrichter mit verlustarmen N-Kanal-MOSFETs, um die Verlustleistung signifikant zu senken und die verfügbare Spannung zu steigern. Die Ausmaße der Stromversorgung und der Steckernetzteile können verringert werden, da der erhöhte Wirkungsgrad voluminöse und teure Kühlkörper eliminiert. Niederspannungsanwendungen können ebenfalls von der Extra-Marge profitieren. Sie ergibt sich durch die Einsparung von nahezu zwei Dioden-Spannungsabfällen (~1,2 V, was 10 Prozent bei 12 V entspricht), die heiß laufenden Dioden-Brücken innewohnen, und die Anwendbarkeit der Lösung erweitern.

Zusammenfassung

PoE-2 wird im heutigen global stark wachsenden Ethernet-Markt auch weiterhin sehr relevant bleiben, selbst bei der fortlaufenden Vorherrschaft der Arbeit im Homeoffice. Kleine, mittlere und auch große Unternehmen, die ihre Gebäude mit PoE-fähigen Scannern, Kameras und weiteren Systemen zum Schutz der Mitarbeiter umrüsten, benötigen mehr als je zuvor PSEs mit hoher Anzahl an Anschlüssen.

Der PoE-2-PSE-Chipsatz LTC9101/LTC9102/LTC9103 von ADI deckt diesen Bedarf, indem er es Lieferanten erlaubt, effizient und zuverlässig bis zu 48 Ethernet-Ports mit Strom zu versorgen und dabei Gebäude- und IT-Manager mit fortschrittlichen Power-Management-Möglichkeiten zu beliefern. Mittlereile haben PD-Entwickler am anderen Ende des Kabels auch weiterhin mehrere ADI-ICs zur Verfügung, um die Integrationsdichte und den Wirkungsgrad zu steigern sowie die Wärmeentwicklung zu reduzieren.

PoE-2 bleibt im wachsenden Ethernet-Markt weiterhin sehr relevant. Unternehmen, die ihre Gebäude mit PoE-fähigen Scannern, Kameras und weiteren Systemen zum Schutz der Mitarbeiter umrüsten, benötigen mehr als je zuvor PSEs mit vielen Anschlüssen. Der PoE-2-PSE-Chipsatz LTC9101/LTC9102/LTC9103 von ADI deckt diesen Bedarf und ermöglicht Systemen mit bis zu 48 Ethernet-Ports, intelligent mit Strom zu versorgen, Power-Management inklusive.

Bildergalerie

  • Blockdiagramm eines Power-over-Ethernet-Systems

    Blockdiagramm eines Power-over-Ethernet-Systems

    Bild: Analog Devices

  • Vereinfachte Schaltung des PoE-2-PSE-Chipsatzes LTC9101/LTC9102/LTC9103 mit 24 Ports

    Vereinfachte Schaltung des PoE-2-PSE-Chipsatzes LTC9101/LTC9102/LTC9103 mit 24 Ports

    Bild: Analog Devices

  • Ein praxisnahes Beispiel für eine gemischte LTC9102/LTC9103-Implementierung: 24-Port-PSE mit vier 90-W-Ports und zwanzig 30-W-Ports

    Ein praxisnahes Beispiel für eine gemischte LTC9102/LTC9103-Implementierung: 24-Port-PSE mit vier 90-W-Ports und zwanzig 30-W-Ports

    Bild: Analog Devices

  • Einfachsignatur- im Vergleich zur Zweifachsignatur-Topologie

    Einfachsignatur- im Vergleich zur Zweifachsignatur-Topologie

    Bild: Analog Devices

  • Vereinfachtes Blockdiagramm einer Einfachsignatur-IEEE-802.3bt-PD-Schnittstelle mit Hilfseingang

    Vereinfachtes Blockdiagramm einer Einfachsignatur-IEEE-802.3bt-PD-Schnittstelle mit Hilfseingang

    Bild: Analog Devices

  • Christopher Gobok ist Product Marketing Director für Power Systems Management Produkte bei Analog Devices.

    Christopher Gobok ist Product Marketing Director für Power Systems Management Produkte bei Analog Devices.

    Bild: Analog Devices

Firmen zu diesem Artikel
Verwandte Artikel